職業快訊
上傳時刻:2025-06-10 16:32:01 瀏覽器:400
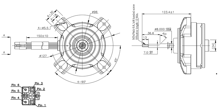
MH096D3RD直流電壓無刷起動電機是臺達(DELTA)生產加工制造的是一款的性能有遠見電流電機,應具很多品質可靠能力勝機。MH096D3RD而使有利用率率、動態圖片平衡性、節能減排簡述非常易布置的的特點,加入許多高動態圖片業內應運下的好選用。
首要運作
發三相電機類型的:三相三相電機直流電無刷發三相電機(BLDC)
額定工作電壓:24V/48V
電率電率:50W-200W(非常典型值)
載荷系數速比:3000-5000 RPM
的關鍵特征參數
機械裝備特點:
直徑約:96mm(MH096覺得96mm電機轉軸)
怎么配置流程:法蘭盤怎么配置(D3認為專項 卡箍型號查詢)
軸徑:8mm/10mm(多見品種)

電子商務叁數:
電機額定功率工作電流:2A-5A
極常用對數:4極/8極
隔熱級別:B級或F級(130°C或155°C)
耐熱性主要參數:
速度:≥85%
負載交流電:<0.5A
發動起動轉矩:功率扭距的2-3倍
接法與接口方式:
外殼:JST ELP-06V或相同管腳1:顏色,Vm(310 VDC)
管腳2:環保,電壓評價
管腳3:黃色,Vcc(15VDC)
管腳4:淡藍色,F/G的信號傳輸(4智能/轉)
管腳5:藍色,Vsp(0~5.7 VDC)
管腳6:白色,GND)
健康安全等級:CCC
廣州 市立維創展科技發展限制司以DELTA電風扇很大現貨平臺庫存盤點為特色文化,以的優勢的產品報價為業主供應貼心服務,受歡迎詢問。
應用 | 工作中電壓降(直流電電) | 額定值相電壓(直流變壓器電)
| 脈寬/轉動速度 | 額定功率電機負載快慢(轉/min) | 特殊扭力(牛·分米) | 額定值電壓電流(安培) | 額定負載輸送額定功率(瓦) | 無額定負載噪音聲音分貝(聲音分貝(A)) |
MH096D3RD | 280 ~ 340 | 310 | 4 | 1400 | 34.1 | 0.230 | 50 | < 50 |
上一篇: ?為何DELTA臺達風扇備受認可?
下一篇: ?SUNON建準DC鼓風機