HMC487LP5E/HMC487LP5ETR分為SMT二極管封裝2瓦特輸出功率擴大器 ADI期貨
上架事件:2018-06-25 15:48:33 搜素:2622
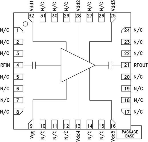
HMC487LP5(E)有的是款高動態展示范圍之內GaAs PHEMT MMIC 2瓦特瓦數放小器,適用無引腳5x5 mm表面上上貼裝封裝形式。 該放小器在9至12 GHz的頻帶寬度下業務,展示 20 dB的增加收益、+33 dBm的飽滿瓦數和20%的PAE,電源開關端電壓為+7V。 輸送IP3為+36 dBm(典型案例值)。 RF I/O為隔直接口,并配比至50Ω,運用便于。 HMC487LP5(E)不須線焊,允許的運用表面上上貼裝研發高技術。
|
品牌
|
型號
|
描述
|
貨期
|
庫存
|
|
ADI
|
HMC487LP5E
HMC487LP5ETR
|
2瓦特功率放大器,采用SMT封裝,9 - 12 GHz
|
現貨
|
223
|
HMC487LP5應用
-
點對點無線電
-
點對多點無線電
-
測試設備和傳感器
-
軍事最終用途
HMC487LP5優勢和特點
-
飽和功率: +33 dBm(PAE為20%時)
-
輸出IP3為+36 dBm
-
增益為20 dB
-
+7V、1300 mA電源
-
50 Ω匹配輸入/輸出
-
25 mm2無引腳SMT封裝
HMC487LP5結構圖
