HMC409LP4E/HMC409LP4ETR有工作效率率電機功率放小器 ADI期貨
發部日期:2018-06-26 11:07:05 瀏覽網頁:7650
HMC409LP4(E)一款高效、性價比最高率GaAs InGaP HBT MMIC瓦數放小器,做工作平率超范圍為3.3至3.8 GHz。 該放小器利用低利潤、無鉛SMT裝封。 它利用較少的 外部構件,作為31 dB增益控住,飽合瓦數為+32.5 dBm,電源模塊工作電壓為+5V。 瓦數控住(Vpd)能用的 于全性能經營模式經營模式或RF模擬輸出的瓦數/直流電控住。 針對于+22 dBm OFDM模擬輸出的瓦數(64 QAM, 54 Mbps),HMC409LP4(E)可保證 2%的出現偏差的原因矢量圖頻率(EVM),才能滿足需要WiMAX 802.16平滑度的要求。
|
品牌
|
型號
|
描述
|
貨期
|
庫存
|
|
ADI
|
HMC409LP4E
HMC409LP4ETR
|
1 W功率放大器SMT,3.3 - 3.8 GHz
|
現貨
|
237
|
HMC409LP4應用
-
WiMAX 802.16
-
固定無線接入
-
無線本地環路
HMC409LP4優勢和特點
-
增益: 31 dB
-
40% PAE (+32.5 dBm pout)
-
2% EVM (Pout = +22 dBm)
具有54 Mbps OFDM信號
-
+46 dBm輸出IP3
-
集成功率控制(Vpd)
-
+5V單電源
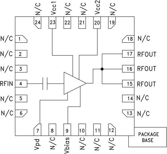
HMC409LP4結構圖
