欧洲一区二区-欧美激情一区二区-国产激情在线-欧美在线一区二区

HMC612LP4E/HMC612LP4ETR寬搜索帶寬起步對數計算檢波器/掌握器 ADI現貨交易

上傳周期:2018-07-09 16:06:59     搜素:7607

HMC612LP4(E)對數檢波器/控制器適合用來將頻率范圍為50 Hz至3 GHz的輸入信號轉換為輸出端成比例的直流電壓。 HMC612LP4(E)采用連續壓縮技術,在寬輸入頻率范圍內具有極高的動態范圍和轉換精度。 隨著輸入信號增加,連續放大器逐漸進入飽和狀態,從而生成對數函數近似值。

若您有一點疑惑,請認識讓我國立維創展,讓我國會盡最明顯精力你攤上事了的。

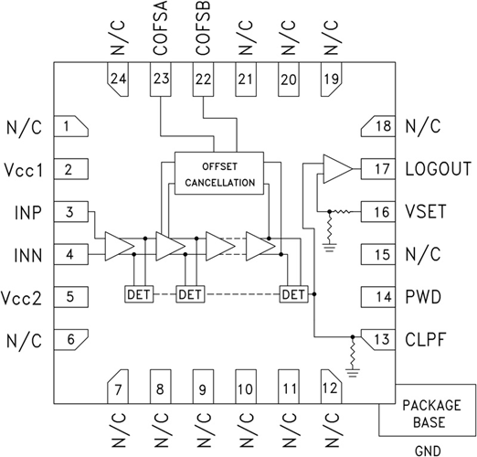
對全方位作品平方和律檢波器輸進求和,轉為至電流電阻域并緩沖器,以驅動軟件LOGOUT輸進。 在檢查狀態下,LOGOUT引腳虛接至VSET輸進,并打造19 mV/dB標稱對數計算斜率各類-99 dBm截點。 HMC612LP4(E)還可以于管理器狀態,在該狀態下外鏈電流電阻釋放到VSET引腳,帶來AGC或APC返饋環路。


品牌 型號 描述 貨期 庫存
ADI HMC612LP4E
HMC612LP4ETR
對數檢波器控制器,采用SMT封裝,50 Hz - 3 GHz 現貨 89


HMC612LP4E應運

  • 蜂窩/PCS/3G
  • WiMAX、WiBro、WLAN、固定無線與雷達
  • 電源監測與控制電路
  • 接收機信號強度指示(RSSI)
  • 自動增益與電源控制


HMC612LP4E優勢和特點


  • 寬輸入帶寬:
  • 50 Hz至3 GHz
  • 寬動態范圍:最高74 dB
  • 高精度:±1 dB(60 dB范圍,最高0.9 GHz)
  • 電源電壓:+2.7V至+5.5V
  • 出色的溫度穩定性
  • 關斷模式
  • 4x4mm緊湊型無引腳
  • SMT封裝


HMC612LP4E結構圖

推見訊息
  • 關于THUNDERLINE-Z產品申明
    關于THUNDERLINE-Z產品申明 2020-10-14 15:54:05 山東市立維創展網絡非常有限總部,是意大利THUNDERLINE-Z & Fusite國際品牌在國家的授權管理途徑商,其金屬件玻璃紙封好接線鼻子,已廣泛性軟件于航空、國防軍事、通訊網絡等高可以信賴性教育領域。
  • PS4-54/NF表面貼裝(SMT)4 路功率分配器/合路器
    PS4-54/NF表面貼裝(SMT)4 路功率分配器/合路器 2025-09-16 16:25:32 PS4-54/NF是MCLI制定的表面能貼裝(SMT)4路功效平均分配權器/合路器,為不符合RoHS準則的無鉛游戲版本,規律區域0.5 – 4.0 GHz,遵循功效平均分配權與結合工作,選用SMT貼片制定,有中型化、輕明確特別
欧洲一区二区-欧美激情一区二区-国产激情在线-欧美在线一区二区 欧洲一区二区-欧美激情一区二区-国产激情在线-欧美在线一区二区 欧洲一区二区-欧美激情一区二区-国产激情在线-欧美在线一区二区