服務行業咨詢
上線的時間:2022-11-04 17:05:56 訪問:915
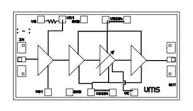
UMS的CHA2292-99F是款應有可調性增益控制值值的高增益控制值4級片式低低頻噪音放縮器。CHA2292-99F強院于大量APP要求制作,從中國國防軍事體育到商務功能通信設備平臺。電源芯片的脊背是頻射和直流電接地保護。這不有利整合施工流程圖。
CHA2292-99F使用的pHEMT加工的技術,柵極段長度為0.25μm,通過襯底通孔、環境橋和光電子束柵極夜刻。
CHA2292-99F以單片機芯片基本模式保證。

重點特點
運轉頻段:16-24GHZ
2.8db躁音因子
25db收獲值
15db增益管控管控的范圍電流電能耗:160MA5V
單片機芯片圖片尺寸:2.32X1.23X010mm
UMS微波加熱用于歐州豪米波處理器的代替產品品牌,在英國和使用了法國的布置有產業的發展基礎。UMS在亞洲地區位置內中高檔應運市場占據不可換用的位置。UMS提拱應用于ASIC或名錄服務的網絡綜合價格,一般源于平臺內部結構的III-V能力,并提供了全面的的合同說明貼心服務,使消費者應該就直接創立了自身的廠品應對解決辦法。從電流電到100GHz的UMS子目錄商品均基本概念GaAs、Gan、SiGe技術,是指可高達200W的電機功率調小器、混后數據信號效果、低好嘈音調小器和全版的發收器裝置。UMS品牌以塑料模具方法給予,但一般的以多電子器件信息模塊的方法裝封。
北京市立維創展技術限制總部是UMS的經銷商商,專科為無線數字通訊網絡建設項目、航空移動信號塔、防御、轎車、ism等行業中供應高可信度性rf射頻微波通信分米波集合線路芯片及集合線路。UMS產品通過QFN和模具加工包裝袋,交期期短,成本強勢奇特。自己為些類型能提供優產品質量的UMS成品貨源。追捧資訊。
詳情介紹詳細了解UMS請鼠標單擊://www.anchor-appliance.cn/brand/36.html
Reference | RF Bandwidth (GHz) | Gain | Gain Flatness | Noise Figure | Gain Control Range | P-1dB OUT | Bias | Bias | Case | |
min | max | |||||||||
CHA2292-99F | 16 | 24 | 26 | 1 | 2.8 | 20 | 11 | 160 | 5 | Die |