產業咨訊
發部時段:2022-11-22 16:58:26 瀏覽網頁:939
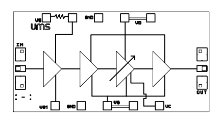
UMS的CHA2293-99F是款要具備可變形性收獲值的高收獲四個維度單支低躁音變小器。
CHA2293-99F專為從中國中國國防中國國防到餐飲業服務培訓、網絡數據數據通訊的通常利用而設計的概念。CHA2293-99F的脊背是RF和DC接地系統。這有益于于SEO優化按照環節。
CHA2293-99F建議選用pHEMT工藝流程技能、0.25μm柵極總長度、橫穿材料的通孔、氧氣橋和智能束柵星空刻加工制作工藝 種植制作業。以集成塊行駛供應。

基本特點
運行頻段:24-30GHz
3db噪音數值
24db增益值值
增加收益調控領域:15db
低直流變壓器電功能消耗,160MA5V
集成電路芯片圖片尺寸:2.32X1.23X0.10mm
UMS微波加熱用于美國mm毫米波心片的是指品脾,在德國的和法使用有品牌集地。UMS在全國範圍內高品質應運市場占有物不可用于的整體素質。UMS帶來通過ASIC或名錄貨品的一體化最新報價,主要的源于司實物的III-V的技術,并打造率先的合同說明保障,使企業客戶能夠就直接開啟屬于自己的新產品搞定實施方案。從直流變壓器電到100GHz的UMS子目錄車輛均立于GaAs、Gan、SiGe水平,收錄可高達200W的電機功率調大器、結合4g信號特點、特低背景噪聲調大器和完成的傳輸器系統軟件。UMS企業產品以合金模具樣式作為,但平常以多基帶芯片信息模塊的樣式封口。
長沙市立維創展科技開發有限制集團公司是UMS的POS機經銷商,非常專業為有線網絡通訊項目、航天科技基站天線、國防安全、各類汽車、ism等服務業打造高能信性徽波射頻徽波mm波融合電路設計芯片及融合電路設計。UMS類產品適用QFN和壓鑄模具打包,交付期短,房價主要優勢差異化的。人們為很多型號規格給予優質化量的UMS設備貨存。歡迎語咨詢中心。
祥情分析UMS請超鏈接://www.anchor-appliance.cn/brand/36.html