服務行業新聞
分享精力:2018-06-06 10:47:01 看:8371
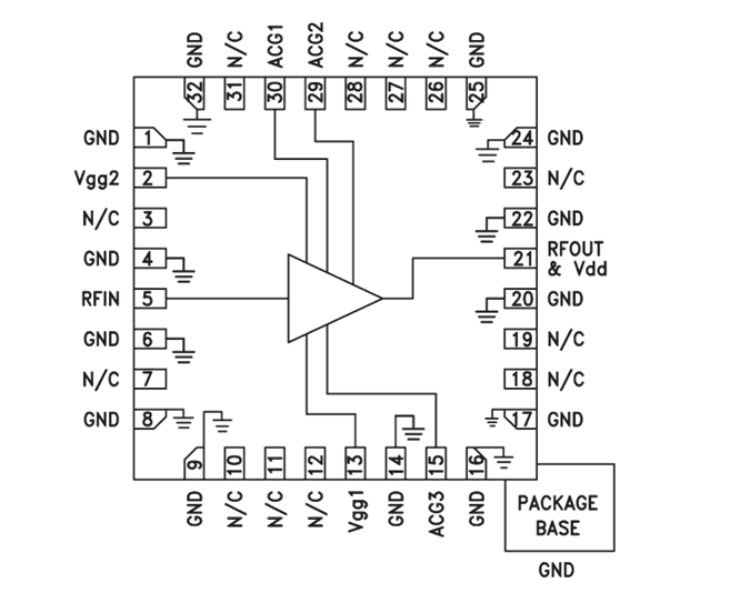
HMC797APM5E就是一款GaAs MMIC pHEMT規劃式熱效率變小器,業務工作頻率規模為DC至22 GHz。該變小器可以提供13.5 dB增益值值控制、39 dBm打出IP3和+28 dBm打出熱效率(1 dB增益值值控制收縮),顯卡功耗為400 mA(選擇+10 V電原)。該多實用功能PA在4至20 GHz規模內具正增益值值控制斜率,從而相當最適合EW、ECM、雷達天線和測試軟件機器設備應用軟件。HMC797APM5E變小器I/O實物配比好至50 Ω,利于結合到多單片機芯片功能模塊(MCM)中,選擇無引腳QFN 5×5 mm表貼封裝,不能自己外配比好電氣元件。
| 品牌 | 型號 | 描述 | 貨期 | 庫存 |
| ADI |
HMC797APM5E HMC797APM5ETR |
GaAs pHEMT MMIC 1 W功率放大器,DC - 22 GHz | 現貨 | 55 |
用
HMC797APM5E優勢和特點
HMC797APM5E結構圖
