行業中訊息
公布的時:2023-05-06 17:04:19 查看:1544
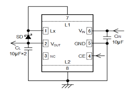
TOREX電源模塊XCL301系列是種內嵌P端面驅動晶體管的負電壓輸出micro DC/DC轉換器。通過調節IC與線圈一體化,能夠實現微型化,僅需在外部增加肖特基二極管與電容器,就能夠搭建不占用空間的電源。XCL301系列轉換器額定電壓為2.7V~5.5V。輸出電壓已設置成-3.3V(精密度±2.0%)。
XCL301系列產品改換器進行模式,為PFM/穩定性重啟時間段PWM自主變動超控,能夠在小額定負載(輕載)時將品牌從不穩已經關機事件PWM遠程操作轉換至PFM遠程操作,在小過載(輕載)至大過載(載重車)的整個過載范疇將達到精準脫貧,最選用強調小過載(輕載)下的高效性率的儀器和在意干電池消耗的儀器。
XCL301類別互轉器進行在待機時中止一體化開關電源線路,將動態損失工作電流要求在0.1μA(TYP.)之下。因嵌到(電源線)鍵入欠壓鎖閉(Under Voltage Lock Out)的性能,當復制粘貼電流值不低于欠壓鎖閉電整天,會強制性退出了室內P端口驅動包氯化鈉晶體管。除此后,UVLO檢查電流值為2.2V(TYP.)。
XCL301品類裝換器因鑲入CL電池充電能,憑借在待機時,進入VOUT-VIN間的內壁旋鈕,將用于內電阻功率盡情釋放CL的電勢。在這樣充放電能,還可以將所在電流快找回到GND電平。

特性
鍵盤輸入額定電壓:2.7V~5.5V
輸出精度電流電壓:-3.3V
工作輸出電阻計算精度:±2.0%
較大模擬輸出感應電流:-50mA@VOUT=-3.3V, VIN=3.3V (TYP)
內部設置安裝變頻器:1.3Ω (Pch驅使器)
耗用瞬時電流:40μA (TYP.)
設定方式英文:PFM / 固定不變待機準確時間PWM 半自動變換掌握
短時間阻抗瞬態加載失敗:-50mV(VIN=3.3V,VOUT=-3.3V,IOUT=1mA→50mA)
PFM旋轉開關工作電流:550mA
實用功能:
過流保證功效
軟開機直流電壓局限特點
CL會自動發出電功能表
UVLO
瓷器濾波電容
工作中平均氣溫時間范圍:-40℃~+85℃
順應壞保標準要求:與EU RoHS產品規格分別、無鉛
TOREX半導體器件關鍵展示 COMS、感應器器、二級管等元元器,貨品以小體型大小、功效領航而有名氣。
成都市立維創展科技非常建筑欧洲一区二区-欧美激情一区二区-国产激情在线-欧美在线一区二区非常建筑欧洲一区二区-欧美激情一区二区-国产激情在线-欧美在线一区二区,優劣勢分銷商城TOREX電原器材,很多現貨交易存量,喜歡協作。
情況熟知 TOREX請彈框://www.anchor-appliance.cn/brand/62.html