相關行業資迅
上線時段:2023-10-10 17:07:35 網頁瀏覽:964
低噪聲放大器是種低噪音、高增益的功率放大器,主要用于放大高頻率系統中射頻信號。工作原理是在傳輸數據之前,根據LNA來變大數字走勢并變少躁音,提高了調節程序的背景噪聲指數公式,因而提高了收的數字走勢的明了度和安全衛生正規性。
ALN0138-40-5307NW微波微波射頻低噪音污染調小器在多方面無限通信設備技術和微波微波射頻使用領域行業中起著至關核心的的作用,具備電率調小和噪音污染極小值化,若想上升收到安全性能、戶外拓展通信設備依據及具備核心的動態數據通信設備技術。

癥狀:
低燥音和高增益值
低VSWR,無環境動態平衡性
體重小,制造費學費低
N個陽性反應復制粘貼,N個陰性反應傳輸
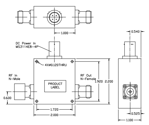
選用于直流電穩壓阻源導入的MS3114E8-4P連入器
單直流主機電源穩壓電式源,內置交流輸出功率調低器,允許寬交流輸出功率鍵盤輸入區間
操作流程工作溫度0~+50°C,存貯溫暖-55~+125°C
耐熱性密封墊裝封,選用于野外把控,外表漆成灰黑色
WENTEQ提高很多高品控的微波加熱射頻和微波加熱類食品,提貨日子短,市場價格有寡頭壟斷力。類食品包擴同軸拼接器和配適器、巡環器、屏蔽器、低燥音拖動器、輸出拖動器、寬帶網拖動器、絕緣端子、波導元器件等。
河南市立維創展科技開發是WENTEQ的經銷處商,注意提拱WENTEQ車輛收錄環行器、隔離霜器、電流POS機終端等,車輛正品德國進口,效果擔保,供貨耗時短,收費的優勢,認可網絡咨詢。
詳情頁詢問WENTEQ請點開://www.anchor-appliance.cn/brand/29.html