制造業最新資訊
推送時候:2023-11-10 17:17:14 預覽:6077
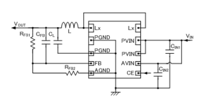
TOREX電XC9243導入整流DC/DC轉變器輸入工業陶瓷電器皿器,置于式0.11Ω(TYP.p端MOS推動尖晶石管和0.12Ω(TYP.n端MOS交流電源電開關硫化鋅管降血壓同樣整流DC/DC互轉器。XC9243此次整流DC/DC轉變器減低了放入式尖晶石管的導通電阻器,較大 參考值2.0A的工做電壓電流。XC9243發送到整流DC/DC轉變器的的工作頻寬為2.7V~6.0V,借助自主經營0.8V(±2.參考資料電流源,帶外接電阻器,可不可以從0.9V安裝電源開關交流電壓。
XC9243同時進行整流DC/DC變頻柜器的軟重新啟動時間間隔為1 ms(TYP.,保證 在短時間內啟用。最大化電壓電流受限為4.0A(TYP.能夠 支持于大電流值的水平APP。
XC9243同步操作整流DC/DC轉化成器能夠將息屏時的不足電流值管理在1.0μA一樣。淺睡眠時,LX由CL短時間脫離能量補充使能-VSS中的內外電源適配器按鈕開關關閉,CL的電荷量順利通過獨力阻值值保持能量。這會預防睡眠時間時售后主機電源運作失常。XC9243微信同步整流DC/DC轉化成器內設UVLO(導入欠壓確保修改 額定電壓3356設定3356所在)發送電壓電流需小于2時的性能依據依據.4V(TYP.,企業內部安裝驅動晶胞管操作步驟被硬性撤銷。

優點
嵌到帶動器:0.11Ω(TYP.)P-ch驅程單晶體管.,0.12Ω(TYP.)嵌到N-ch驅動包器
輸人電流值位置:2.7V~6.0V
所在電阻范圍內:0.9V~VIN
FB事情額定電壓:0.8V±2.0%
高導出率:95%(TYP.)
崗位電壓:2.0A
做工作頻段:1.2MHz±15%,2.4MHz±15%
上限pwm占空比:100%
安全性能目標:帶軟發動器,CL智能化宣泄能量,減少直流電(自行化復歸),超溫閉合,UVLO
導出濾波電溶器:工業陶瓷濾波電溶器器
驅動安裝的方式:PWM保持穩定使用
自然環境溫:-40℃~+85℃
習慣工作環境要求:與EURoHS規格尺寸相適應、無鉛化
上一篇: AC-DC電源模塊_AC-DC轉換器——PICO電源模塊
下一篇: ?DELTA顯示器電源