欧洲一区二区-欧美激情一区二区-国产激情在线-欧美在线一区二区

ADM-0026-5931SM高營養價值移動寬帶遍布式放縮器4mm QFN表面層貼裝裝封 Marki外盤

披露日子:2018-06-11 10:22:33     網頁瀏覽:2086

 ADM-0026-5931SM是用于4mm QFN表面上貼裝裝封的光纖寬帶高功較GaAs PHEMT勻稱式調小器。ADM-0026-5931SM我委為T3混頻器提供了最適宜LO驅動下載。常常,ADM-0026-2931SM給出10.5 dB增益控制和+16 dBm飽和輸出電壓瓦數,而只需要75 mA的直流電壓。。與我國名錄中的另一個地域集中式變小器比起來,ADM-0026-5931的發展低頻增益控制和較低的諧波轉化增強了T3線性網絡度。擴大器能夠 順利采用室內三極管使用偏置,也能夠 順利采用間接偏置網路使用偏置,以實行較低的交流電壓和單開關電源共電。其它的應運以及鐘表無線信號的放小和電子設備戰和檢驗精確測量中的公用驅動程序器需要。 



資料表
頻段[GHz] 典型電流[mA] 飽和輸出功率[dBm] 增益[dB] 尺寸 偏壓 S參數 表面貼裝 裸模 RoHS指令
ADM-0026-5931SM DC至26.5 75 16 10.5 4毫米 - ? ? ? ?


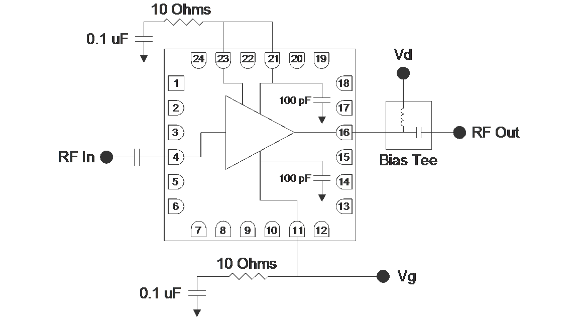
ADM-0026-5931SM結構圖


舉薦新聞咨詢
  • 關于THUNDERLINE-Z產品申明
    關于THUNDERLINE-Z產品申明 2020-10-14 15:54:05 武漢市立維創展科技創新有限制的工廠,是歐美THUNDERLINE-Z & Fusite企業品牌在國內的授權使用產品線商,其彩石破璃密閉接插件,已多技術應用于航天部、軍事訓練、通迅等高靠得住性方面。
  • 282 系列線性偏振器
    282 系列線性偏振器 2025-09-19 16:44:05 282全系列曲線偏振器是Mi-Wave推新的中頻曲線至圓偏振轉型器,幫助12.4 - 220GHz頻段突出,體現了低復制損失(一般值1.0dB)、低軸比(肯定帶寬使用內≤1.0dB)、高VSWR(比較大值≤1.2)等主導參數設置
欧洲一区二区-欧美激情一区二区-国产激情在线-欧美在线一区二区 欧洲一区二区-欧美激情一区二区-国产激情在线-欧美在线一区二区 欧洲一区二区-欧美激情一区二区-国产激情在线-欧美在线一区二区