這個行業房產資訊
發布公告時間段:2025-07-22 16:39:04 瀏覽訪問:165

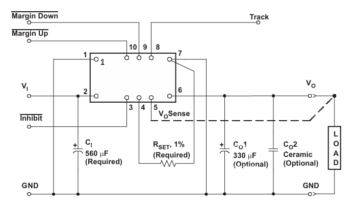
在工業化設定、通訊網絡設施設備等要點軟件各個領域中,電源板塊板塊的穩定的性與不靠譜性自始至終是核心思想綜合考慮基本要素。繼續十八大以來,TI品牌退出的PTH08T240WAD電源適配器信息板塊信息板塊憑著其水平優越性,蟬聯市廠主導者的地位。只不過,隨著時間推移近來來國產車電源適配器信息板塊信息板塊制造商水平實力派的有明顯增加,工程施工師們當今社會成為了凸顯出激烈力的替代品計劃方案。這其中,Leadway公司研制的LWH08T240WAD電壓接口,根據其非凡的功能癥狀與國產化供應信息鏈特色,正越來越大成了過程中師在電壓接口替代品制定中的挑選計劃方案。
指標差距
好項目 | PTH08T240WAD | LWH08T240WAD |
搜索電流 | 4.5 V – 14 V | 4.5 V – 14 V |
輸出的電壓電流 | 0.69 V – 5.5 V | 0.69 V – 5.5 V |
輸送電流值 | 10 A | 10 A |
關鍵速度 | 95 % | 95 % |
工作上攝氏度 | –40 °C ~ +85 °C | –40 °C ~ +125 °C |
二極管封裝/圖片尺寸 | 11-DIP,22.1×15.7×8.5 mm | 11-DIP,22.1×15.7×8.6 mm |
功能性 | 遠控控制開關、打出可調式 | 跨網旋鈕、輸入可控 |
供應商鏈 | 12周上 | 國內,交貨時間 1-2 周 |
無暇兼容的原位混用處理方案設計
LWH08T240WAD電源線電源模塊給予與PTH08T240WAD髙度兼容的原位取代設計。它用于與PTH08T240WAD仍然不對的11-DIP芯片封裝,長寬比為22.1mm×15.7mm×8.6mm,引腳舉例和一體化長寬比均始終維持相同。這一規劃促使LWH08T240WAD可能會直接更換和原有型號,不要對PCB平面布置通過絲毫改進,本身滿足了“即插即用”。某些性能很大程度地縮減了制作變更登記的風險隱患和整改總成本,越發比較合適已量產u盤設配做好主件升級或供應信息鏈調低,幫助公司企業快速的積極地響應專業市場變遷。
LWH08T240WAD交流電源控制器的不一致性化竟爭其優勢
專業技能的耐低溫天氣功效
LWH08T240WAD電原控制模塊的事業環境溫度范圍之內映射至-40℃至125℃,相信PTH08T240WAD的-40℃至85℃,具備著更強的耐高的溫度力。此性能指標使其尤為選用做特別周圍環境或高的溫度企業環境,如室外溝通移動信號塔、小微電機技術等,加強組織領導裝備在極端天氣情況下仍能固定自動運行。
成本預算與廠家直銷鏈其優勢
料工費降低:對于國內生產開關電源模塊電源,LWH08T240WAD的價格基本上如果低于進品產品,可幫到企業主降10%-30%的購進投資成本,更好提高了純利潤環境空間。
批售鏈柔韌明顯增強:受知名局面影晌較小,LWH08T240WAD的收貨的周期更短,一般是只需1-2周,有用逃避了缺貨安全隱患,得到保障了制作的接連性。
國產a化證策鼓勵
LWH08T240WAD外接電源輸出模塊具有境內“信創”政策解讀主導性,獨特適用人群于人民政府、民品等對制造鏈服務性可調規范要從嚴的各個領域,推動中小型企業進行國產貨化充當,升高制造鏈安全管理性。
應用領域應用環境
l 化學工業控住教育領域:適用人群于PLC、變頻式器、臺達伺服電機驅使器等必須高靠普性電源線的應用場景,確認的設備穩定性行駛。
l 通訊機械設備行業領域:符合于5G通信基站、光板塊、對換機等對溫度表滿意性想要高的儀器,滿意比較復雜學習環境下的電源開關需求分析。
l 二手車電子器件的領域:符合于車載多媒體電動車充電機、手機電池服務系統性(BMS)等還耐高溫度不一樣,增強車子電子無線設施設備的可信度性和很安全性能。
武漢市立維創展科技廠家有限廠家廠家享用20年光電子元電氣元件封裝技術積聚,工程專業的產品的科研和品行管理團隊,擁有Leadway電源開關模塊電源好品牌。以工藝改革創新為價值體系,做最最適合行業需求量的好品牌樣式。好品牌對標管理美系、日系風格,變現pin &pin編輯如需用其他技術設備蘋果支持,或食品聯系了解。,迎接聯系了解。。