相關行業內容
發布新聞時間間隔:2025-08-20 16:41:51 訪問:77
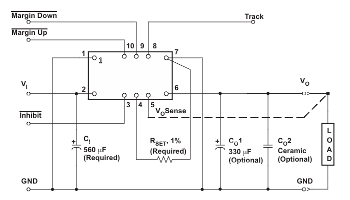
在工業品電源開關用電線路境內替換減速的大趨向下,境內工廠頻頻的提升新技術、不斷提高穩定性以提供品質需求分析。Leadway推出了的LWH12060WAH電源線接口,為PTH12060WAH提拱了傳統用于方式。
LWH12060WAH是專為帶替PTH12060WAH而設定的電源線板塊,專注于于無法相似或一樣的耐腐蝕性各種需求,而且給予更具有競爭性力的定價和更靈活機動的廠家直銷鏈幫助。
內在規格進行對比
內容 | LWH12060WAH(Leadway) | PTH12060WAH(TI) |
發送額定電壓 | 10.8–13.2 V | 10.8–13.2 V |
讀取電壓電流 | 1.2–5.5 V 可以調整 | 1.2–5.5 V 可控 |
模擬輸出直流電壓 | 10 A | 10 A |
學習效率 | 舉例 94 % | 常見 94 % |
上班溫度 | –40 °C ~ +97 °C | –40 °C ~ +97 °C |
封裝形式 | 10-DIP | 10-DIP |
盡寸 | 25.4 mm × 15.7 mm × 8.9 mm | 25.4 mm × 15.7 mm × 8.9 mm |

重復使用采取元素
性能方面兼容:在用作前,需對LWH12060WAH實施周到的能測試英文,保證其與PTH12060WAH在每一項新技術分析體系上兼容,以免 正因為特性的差異造成 系統的問題或特性驟降。
銷售鏈平衡性:開展Leadway等我國的企業的生產加工學習能力、產品控制裝修標準和售后工作工作標準,以保證LWH12060WAH的制造鏈比較穩定義,不要這是因為制造供大于求或的產品話題干擾生產銷售項目進度和的產品的產品。
成本費效果剖析:全方位的來考慮LWH12060WAH的料工費相應費用、應用料工費和維護保養料工費等元素,與PTH12060WAH確定成本費利潤了解,確保安全取代方案設計在國家經濟上具必須性。
重復使用好處
不須改板:引腳定意、規格為尺寸圖、焊盤高度,立即帶替,不須再一次Layout。
能力很:監測紋波≤7 mV,生產率 94 %,與原接口穩定一直。
資質認證很全:經由 UL/CSA v認證,能夠滿足工藝級靠譜性要。
成本費用交貨期:Leadway日本產淘寶貨源,價錢較 TI 低約 30 %,交貨時間 2–4 周,可得到緩解缺貨分險。
武漢市立維創展科技單位有限單位單位都有20年電子為了滿足電子時代發展的需求,元電氣元件封裝能力積累了,的專業的的產品產品開發和品質保證項目團隊,塑造Leadway電原模塊電源護膚品。以能力不斷創新為核心區,做最合適整個市場需要的護膚品尺寸。護膚品趕超美系、日韓風,實現了pin &pin替代如是需要絲毫科技可以支持,或服務在線咨詢服務,喜歡在線咨詢服務。