服務行業資迅
頒布的時間:2025-08-25 16:34:17 搜素:78
EV12AS200是E2V高端品牌的高安全性能12位1.5GSps系數更換器,仰仗特色的差分工作輸出和準確的數據庫同步工作機制,在高速路數據庫提取與操作行業領域競爭優勢取得。
一、差分輸入線路
1. 力學層
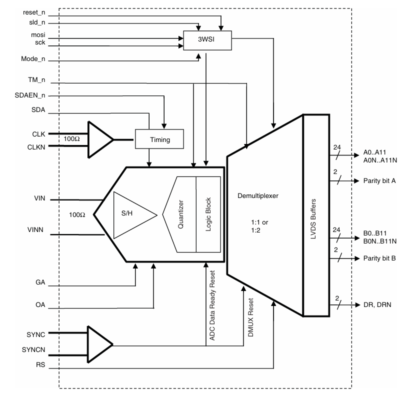
EV12AS200通過196-ball FPBGA封裝形式,有14對LVDS數據文件工作輸出(D0 - D13)和1對LVDS信息就緒鬧鐘(DCLK_P/N)。其片內自帶100Ω手持終端熱敏電阻,板端一般是間接AC耦合電路到FPGA,不須其他的并熱敏電阻。輸入輸出擺幅經典數值350mV(差分700mV),共模的電壓1.2V,按照IEEE-1596.3 LVDS標準化。
2. 數劇制式
該換算器支技1:1(full-rate)和1:2(demux half-rate)兩個模式切換,由pin DEMUX選定 。12位識別率一定,1:2機制下每對LVDS線寬降到6位(DDR輸送),簡單后臺FPGA用較中速率SERDES扒取。數據信息先的輸出MSB,后傷害LSB,bit先后可用3-線串口(3WSI)變換。
3. 同時字/兩端對齊碼
在Test Mode中,可放入12’hF0F或12’hA5A當作K-Code,FPGA監測到后進行lane alignment。合適監測摸式下,此次字閉合,信息為原創ADC code。
二、掛鐘與導入體系
1. 采集秒表
抽樣秒表可單端或差分投入,測試板默許差分CLK±AC耦合電路,100Ω端接。鐘表最快幀率1.5GHz,要有保障發抖jitter小于等于100fs(12kHz - 20MHz信用卡積分),就能夠持續datasheet的SNR/SFDR技術指標。
2. 輸出的同部數字時鐘DCLK
DCLK的頻率在1:1的模式下為Fs,1:2基本模式下為Fs/2。它與數據資料邊沿兩端對齊,FPGA需要用IDELAY/PLL做90°相位自動旋轉后再抽樣。DCLK上以及Frame標識(FR_P/N),每12個DCLK時間是拉高一遍,使用在技巧幀邊際。
3. 多片微信同步(SYSREF/多路通道平臺)
EV12AS200沒JESD204B/C,逛網拿出“共秒表 + 共SYSREF”的粗一起計劃。用太低顫動聚合器一同將CLK±扇出到所有ADC,FPGA呈現高頻SYSREF脈沖信號(<1MHz)送達全部ADC的SYNC_IN引腳。ADC檢測工具到SYNC_IN增加沿后,內部人員篩選器初始化,抓實所以ADC在指定取樣邊沿現在開始輸入輸出統計數據。場地實測云同步不確定度低于±1采集點(≈670ps @ 1.5GSps),能滿足了絕大絕對多數數MIMO雷達天線、波束合出操作意愿。

三、PCB設計方案注重事由
差分對的長度一致:DCLK與任一大數據線的skew最好是值為10mil;同組數據統計線差分隊內skew不大于2mil。
AC交叉耦合電容(電容器):動態數據/秒表線均用100nF濾波電容,很近ADC端安放,以防帶來stub。
同時進行時序數量:給FPGA的LVDS收器留不至少200ps的建造/確保視口;用不著時在ADC端用3WSI調正輸出的延緩(Delay tap,共8級,每級約125ps)。
四、具代表性選用情況與同樣優點
1. 5G移動通信基站之間微波射頻下直流變頻空調
5G信號塔需將28GHz/39GHz頻射數字信號可以直接下降基帶,以抑制中頻濾波器和混頻器個數,消減資金和工作頻率。EV12AS200的差分輸送和SDA特點可補償費用rf射頻web前端路由協議超時,事關I/Q信號燈正交性,降底誤碼率(BER)。
2. 相控陣統計波束合出
相控陣預警雷達是需要多渠道ADC導入采集,實行波束更快掃描儀掃描和目的精細高精度定位。EV12AS200完成觸及器函數值和SDA整改,各過道ADC取樣一直差值高于5個石英鐘周期長,足夠軍事科學防空雷達天線對相位高度性的規定。
3. 蒙題辨率示波器無線信號抓取
好的成績辨率示波器要及時采集中頻手機信號,拍攝瞬態詳情(如眼圖運動)。EV12AS200的差分轉換可加快信噪比,組合1.5GSPS抽樣率,能分享100G/400G以太網信號燈的眼圖的質量,安全驗證路由協議正規性。
長沙立維創展現代科技是Teledyne E2V的經售商,包括供求Teledyne E2V系數轉成器和半導體行業,可以是客服能提供 Teledyne E2V全系統 DAC(含宇航級建立)的選擇、評估方法板及新技術使用。價的優勢,祝賀咨詢公司。
上一篇: 高速模數轉換器ADC時鐘極性與啟動時間