HMC7885FH18單電子器件紅外光ibms用電線路(MMIC)輸出擴大器(PA)功能 ADI現貨交易經銷商
上架時段:2018-06-19 16:42:54 挑選:2599
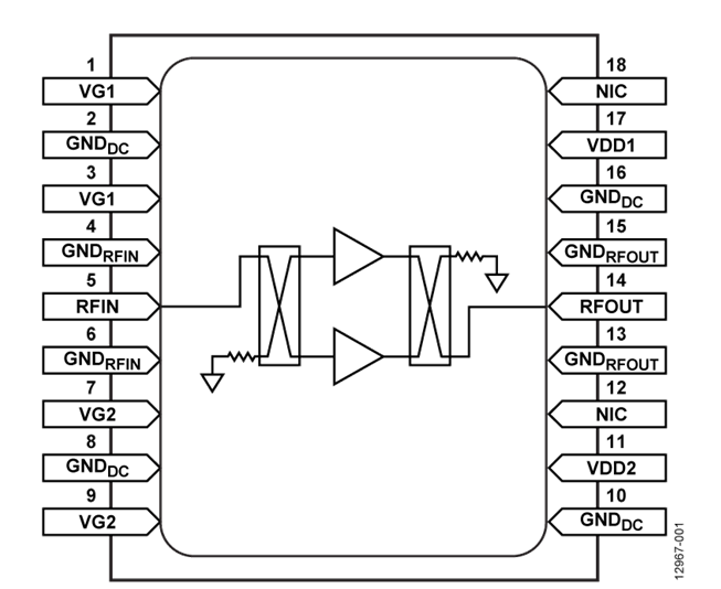
HMC7885FH18就是一款32 W氮化鎵(GaN)、單開關電源芯片紅外光集成系統電路板(MMIC)做工作電壓縮放器(PA)信息模塊開關電源,做工作頻點面積為2 GHz至6 GHz,打造18引腳密封信息模塊開關電源打包封裝。該縮放器一般是打造21 dB小表現收獲和45 dBm過剩頻射(RF)所在做工作電壓。該縮放器運用28 V直流電開關電源的動態工作電壓(IDD)為2200 mA。隔直RF發送和所在符合至50 ?,動用便。
|
品牌
|
型號
|
描述
|
貨期
|
庫存
|
|
ADI
|
HMC7885FH18
|
2 GHz至6 GHz,45 dBm功率放大器
|
現貨
|
78
|
HMC7885FH18應用
-
測試與測量設備
-
通信
-
電子戰(EW)
-
軍事
-
行波管(TWT)替換產品
-
SATCOM
HMC7885FH18優勢和特點
-
2 GHz至6 GHz
-
小信號增益:21 dB(典型值)
-
飽和RF輸出功率:45 dBm(典型值,POUT)
-
18引腳、密封模塊
-
工作溫度范圍為-30°C至+60°C
HMC7885FH18結構圖
