HMC1086F10氮化鎵(GaN) MMIC額定功率放小器10引腳法蘭部封裝形式 ADI期貨
發布的時候:2018-06-22 16:28:05 看:7147
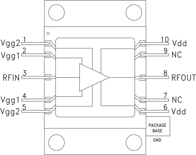
HMC1086F10一款25W氮化鎵(GaN) MMIC公率變大器,工作的頻繁空間為2至6 GHz,用于10引腳法蘭片貼裝芯片封裝。 該變大器往往出示數據23 dB小警報增益值,+44.5 dBm飽合讀取公率,在+33 dBm讀取公率/警報音下,出示數據+46 dBm讀取IP3。 該變大器用于+28V交流電交流電源的靜態數據工作頻率為1,100 mA。 隔直RF I/O適合至50 Ω,動用方便簡潔。
|
品牌
|
型號
|
描述
|
貨期
|
庫存
|
|
ADI
|
HMC1086F10
|
25 W GaN法蘭貼裝MMIC功率放大器,2 - 6 GHz
|
現貨
|
230
|
HMC1086F10軟件
HMC1086F10優勢和特點
-
高Psat: +44.5 dBm
-
Psat下功率增益: 11 dB
-
高輸出IP3: +46 dBm
-
小信號增益: 23 dB
-
電源電壓: +28V (1100 mA)
-
50 Ω匹配輸入/輸出
-
10引腳法蘭封裝
HMC1086F10結構圖
