欧洲一区二区-欧美激情一区二区-国产激情在线-欧美在线一区二区
歡迎語來成都 市立維創展科技創新有效集團公司非官方公眾號!
繁體中文
24H售后服務服務電話 0755-83050846 / 83039348
搜索
欧洲一区二区-欧美激情一区二区-国产激情在线-欧美在线一区二区
Home
關于我們
About
微波元器件
Microwave
AMCOM
CUSTOM MMIC
RF-LAMBDA
QORVO
MACOM
SOUTHWEST
NOVA射頻微波
KRYTAR
Aeroflex-API Tech
Anaren
Anritsu
RADITEK
North Hills
Synergy微波
WENTEQ
MITEQ
Marki
RF-Labs
ADI
CREE
UMS微波
PULSAR微波
MegaPhase
JDSU光纖測試
AMG-Microwave
Ironwood
Teledyne防務電子
HEROTEK
ARRA
MCLI
Leadway
CERNEX
Mi-Wave
ATM Microwave(L-3)
UTE Microwave
NEL Frequency Controls
API SAW Oscillators
SemiGen
KR Electronics
MECA
Electro-Photonics
RLC Electronics
JUPITER(Canada)
?IPP
電源模塊
Power
PICO
Cyntec乾坤
GAIA
VICOR
LINEAR
ARCH
SynQor
TOREX
SILERGY矽力杰
DELTA
XP power
?UltraVolt
TI
DAC | ADC芯片
DAC|ADC
EUVIS
ADI
Teledyne E2V
微處理器
MCU
PADAUK應廣單片機
中科昊芯DSP
先楫MCU
雅特力MCU
Intel-ALTERA FPGA
澎湃微
熱縮管
Heat Shrink Tubing
Raychem
自研產品
Leadway Prodcuts
LEADWAY電源模塊
LEADWAY微波產品
產品方案
Solution
Leadway電機方案
聯系我們
Contact
相關行業最新資訊
欧洲一区二区-欧美激情一区二区-国产激情在线-欧美在线一区二区
微波元件資訊
微波元件資訊
微波元件
電源模塊
ADC|DAC芯片
熱縮管
微處理器
產品方案
自研產品
?CGHV40030 C波段功率放大器CREE
2022-12-02 17:05:56
Wolfspeed的CGHV40030?是前所已失的;銳意創新于高效、性價比最高率而設汁的氮化鎵(GaN)高電子廠轉至率納米線管(HEMT);高增益控制和帶寬寬的性能。CGHV40030可設計為L;S和C中波段功效變成器APP。
?ADI單輸出壓控振蕩器(VCO)
2022-12-02 17:04:15
ADI?壓控諧振器(VCO)鎖相諧振器(PLO)物料線不適用多個操作。ADI豐富多彩化的物料線包含了多個機設施設備,選取單集成電路芯片購造,在區域熱度、震蕩和加工制作工藝 耐磨性參數下具有表現出色的相位的噪音耐磨性目標。
?Marki偏置三通連接器
2022-12-02 17:02:31
Marki? Microwave帶對接器精細主裝的偏置三通管管選取Marki專業化型繞電機轉子新技術廣泛應用種植手工制造,從kHz到Ka頻段插進耗用低,回波耗用高。Marki偏置三通管管對接器BT用大大型集成系統電感電機轉子的產品供給低至低4kHz平均幾率蓋住范圍之內。
?MITEQ隔離器和環行器
2022-12-02 16:59:58
當兩個網絡端口處處環行器的網絡端口處處端連接方式上更換短路電流時,它也能作為一個丟開器,因此數據信息需求在其他網絡端口處處之前沿相同的方位輸送。丟開器當作保證輸人終端的游戲裝備預防的輸出側追求的應響;如,控制徽波rf射頻源因短路電流不配對而損失團結。
WENTEQ標準波導開關WSE和WSH系列
2022-12-02 09:00:04
波導面板啟閉按鈕是紅外光rf微波加熱微波射頻網上技術貨品最易用的元器件,其的作用是,并按照需選定紅外光rf微波加熱微波射頻過道,控制高品效率統計數據高速傳輸。與另外紅外光rf微波加熱微波射頻面板啟閉按鈕好于較,WENTEQ?波導面板啟閉按鈕享有駐波低、放入耗費低、電率出水量大的特點,在預警雷達監測、網上技術打敗等平臺中取得豐富適用。
MMW 結隔離器和環行器 (JFD) RF-Labs
2022-12-02 08:58:32
RF-Labs?的MMW結分隔器和環行器采用了Millitech一系列三端口設置JFD結鐵氧體元器(環行器和分隔器),包含18至100GHz的辦公頻段,或者為緊湊轎車型的24v電源電源線路規劃和充分地通過內層位置能提供線上渠道三通接頭有。
?RF5110G通用/功率放大器QORVO
2022-11-30 16:50:04
Qorvo?的RF5110G是款高電機最大功率、高收獲、高效益率的電機最大功率增加器。RF5110G采取首先進的GaAs HBT新工藝工藝,結構設計可用來900MHz平率段GSM手持型終中端從而頻射增加器,并可用來150MHz至960MHz細則化子帶的公用型無線數字通迅適用。
?AM206048SF-5H功率放大器模塊AMCOM
2022-11-30 16:48:05
AMCOM?的AM206048SF-5H是款寬帶網GaN運行功效放縮器控制模塊,設計方案適于于普通型廣泛應用。AM206048SF-5H運行率2GHz到6GHz,一般展示 60瓦(48dBm)的連續式波打出運行功效和54dB的小表現增益控制值。
?3、5、6、12、16、32 路微帶功率分配器和組合器MCLI
2022-11-30 16:42:37
在rf射頻微波加熱中,常見需求把一定的錄入工率按的規定的都分派好原則的比例到幾大支系線路中。夠滿足這一工率都分派好原則的線路構件有更多,MCLI?微導電連接源都分派好原則器就是說在這當中是一個。
ARRA電動移相器:DC-4 GHz
2022-11-30 16:40:14
移相器是種調節波相位的裝置。其中的接入網絡新聞還會對中有的波抗擾接入相移。移相器雷達天線探測系統、小行星通訊網和wifi手機通訊裝置中的關鍵配件。ARRA智能移相器是外接電源控制電路選用作移相器的元器件。
?無源型LP系列PIN二極管限幅器HEROTEK
2022-11-30 16:37:22
紅外光限幅器是種最經常有的保護措施rf射頻發送器前面低噪音分貝增加器會受過高瓦數警報影向的機。進行操作小警報時基礎就沒有衰減,而對待高瓦數警報則導致較高的衰減。
?RADITEK同軸隔離器和環形器高頻(17gh z -50 gh z ) 2.9mm (k) 和 2.4mm 連接器
2022-11-29 16:50:14
RADITEK?紅外光新生物質能源的單方面傳送是同軸防曬隔離開霜器和橢圓形器的對比鮮明特殊性。RADITEK防曬隔離開霜器自動化化地從顯示端接入紅外光新生物質能源,從輸出的端吐出來。RADITEK橢圓形器控制電腦電磁振動器場沿其它環狀路徑的文件傳輸。
?K104F-R K陰型法蘭盤接頭Anritsu
2022-11-29 16:48:39
Anritsu?的K104F-R會和K100夜明珠或K100B封嚴夜明珠深層相融合。內在接插件與微電路原理的聯系會依靠不一樣的的方式保證。
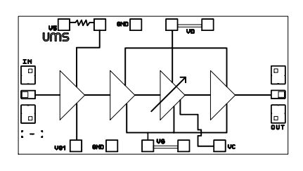
?CHA3396-QDG中功率放大器UMS
2022-11-28 16:51:12
UMS的CHA3396-QDG?是款3級工作效率圖像電壓放大器更適合于級單面中19dBm產生電機額定效率工作效率22dB收獲值。
?CGHV27030 C波段雷達放大器CREE
2022-11-28 16:50:00
CREE的CGHV27030S?無可取代;提高快速率的氮化鎵(GaN)晶胞管有較高自動化搬遷率(HEMT);高增加收益和寬帶互聯網寬效果。CGHV27030SGaNHEMT環保設備非常適概率700-960MHz通信互聯網軟件;
?X4C45J1-03G超薄型混合耦合器Anaren
2022-11-28 16:48:24
Anaren的X4C45J1-03G?是款薄透型、性能參數睿智的3dB相混合體器,操作公布型外壁貼裝工藝封口,操作更加快捷,有立于于制作制作業。X4C45J1-03G是專用面向5Gapp而結構設計。X4C45J1-03G能在磁帶和魔石上搜尋與儲放當作范圍化制作。
?Aeroflex模擬可變移相器
2022-11-28 16:46:59
Aeroflex?作為充足的虛擬仿真可變氣門正時移相器,充分滿足很多的消費者的航空建筑工程和國防安全功能模塊訴求。
?110067016定向耦合器KRYTAR
2022-11-28 16:44:56
KRYTAR的定項藕合器110067016延長多特點帶狀聯線規劃的采用,在10.0到67.0GHz的帶寬運轉頻段內,在集中化化、緊奏型型和輕頻度的裝封中呈現了出色的藕合電源用電線路。110067016保證了出色的功能電機額定功率值,分為標藕合電源用電線路(較之于輸出的)16dB,±1.1dB,頻點靈活性在其他10到67GHz規模之間±2.0dB。
?53022-002J 0.9mm SuperMini 插孔(母)螺紋SOUTHWEST
2022-11-25 16:51:15
SOUTHWEST?大西南微波加熱的53022-002J展示英文數劇象征3個0.9mm SuperMini 9密耳針拼接器背靠背加測,1.85mm插線口(F)到0.9mm插口(M)配適器,可能就沒有0.9mm SuperMini插孔的標定基準。
MACOM 射頻功率模塊
2022-11-25 16:48:38
MACOM?是兼容航空航天電子為了滿足電子時代發展的需求,系統的、統計監測和工藝加工、生物學研究分析和醫藥(ISM)用途的Pallets拖動器很好解決措施更優生產商商。Pallets極為簡單用電機功率控制模塊圖片拖動器,能夠能夠以“嵌入”到更高些會員等級的控制模塊圖片中。
?QPA9501三級 LTE-U / LAA 功率放大器QORVO
2022-11-24 16:54:27
QORVO 的QPA9501?是款高工作電流電壓調小器功能,涉及到內外相適應的3級PA、賠償費偏置電流電壓電路系統和傳輸工作電流電壓偵測器。QPA9501功能對於5.1-5.9GHz的WiFi優化調整了次數段,尤其適用于LTE-U應運。
RF-LAMBDA射頻同軸負載
2022-11-24 16:53:12
RF-LAMBDA?微波通信射頻同軸裝載注意運營于wifi手機電設施機、實驗儀器實驗儀器但是 不同微波通信設施機。充分利用預備車道和自測端口設置號的相匹配好熱敏熱敏電阻不止保證了手機電磁波相匹配好熱敏熱敏電阻,但是在很大程度上抑制了充分利用端口設置號手機電磁波泄密和整體左右的互為干憂。
?QPA9442高線性預驅動器CUSTOM MMIC
2022-11-24 16:51:54
CUSTOM MMIC?的QPA9442是款網絡帶寬,高曲線驅動安裝增加器。巧用升級優化調諧,QPA9442展示多達19dB的增加收益值,并到位了P1dB的1W工作輸出的。QPA9442增加器展示非常好的曲線和+46dBm工作輸出的三階截距(OIP3),有點可以5G安全可靠基站天線應用領域。
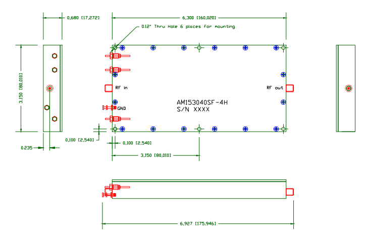
?AM153040SF-4H寬帶高功率放大器模塊AMCOM
2022-11-24 16:50:37
AMCOM?的AM153040SF-4H是款全力于義表機和系統無線通訊方案APP的網路帶寬系統高工作效率變成器。AM153040SF-4H的導出工作效率從1500MHz到3000MHz,應該供應超過了10瓦(40dBm)的CW導出工作效率和40dB的小網絡信號增加收益值。
?AgilBrick? 2.00mm板對板接頭G825系列AMPHENOL
2022-11-24 16:48:56
AMPHENOL?的AgilBrick?2.00mm板對板聯系器G825系列作品能提供了具備靈活機動性組成和1至4a額定功率電流電壓的價格錯誤率處理好實施方案。AMPHENOL某些連接管也可以個性定制制作,以考慮移動用戶的種種消費需求。
NC2000/4000系列寬帶噪聲放大模塊Noisecom
2022-11-23 16:49:15
Noisecom?的NC2000系統嗓聲變小方案是裝到控制印刷電路板的高電平嗓聲方案的合適選購。NC2000系統嗓聲變小方案應用24腳或14腳雙直列二極管封裝。
THUNDERLINE-Z多引腳接頭
2022-11-23 16:48:00
引腳連接管是引腳通孔(PTH)模式,但從表面貼裝(SMT)型號的個和幾個引腳連接管也會導致。此時環境下,引腳的激光熔接面簡單的地周折90°,便氣保焊激光熔接到激光熔接面。
?CHA2293-99F低噪聲可變增益放大器GaAs單片微波IC UMS
2022-11-22 16:58:26
UMS的CHA2293-99F?是款享有可轉化性增益控制值值的高增益控制值英語四級單支低嘈音變成器。
?CGHV59350 C波段雷達放大器CREE
2022-11-22 16:56:03
Wolfspeed?的CGHV59350是款高質量率選配的GaN HEMT;高收獲;和聯通寬帶寬。CGHV59350是5.2-5.9GHzC中波段汽車雷達放縮器應運各個領域最志向的選擇。
CINCON DIP / SMD轉換器3-75W
2022-11-22 16:54:15
CINCON?掌握許多種DIP DC-DC準換器包,如3W到15W的DIP24或SMD24包,10W到30W的3個“x1”包,10W到75W的2“x1”包,15W到40W的2“x1.6”和2“x2”包。CINCON更具增加29年的科研發展發展經歷,努力于鐵路公路交通公路交通、工業制作制作、it、5G5G、醫療保健和普通家庭等使用教育領域。
欧洲一区二区-欧美激情一区二区-国产激情在线-欧美在线一区二区
上一頁
1
2
...
67
68
69
70
71
72
73
...
148
149
下一頁
尾頁
共
149
頁
4454
條數據
欧洲一区二区-欧美激情一区二区-国产激情在线-欧美在线一区二区 欧洲一区二区-欧美激情一区二区-国产激情在线-欧美在线一区二区 欧洲一区二区-欧美激情一区二区-国产激情在线-欧美在线一区二区