HMC338LC3B/HMC338LC3BTR軍工用集成型LO混頻器 ADI現貨交易
發布消息時刻:2018-07-06 15:36:46 搜索:7468
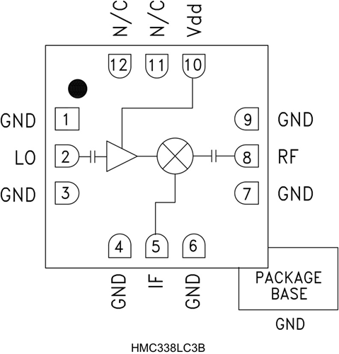
HMC338LC3B就是一款集成系統LO變大器的24 - 34 GHz次諧波(x2) MMIC混頻器,按照符合條件RoHS條件的無引腳SMT封裝。 在30 dB時,2LO至RF防護效果出彩,沒有格外濾波。 LO變大器按照單偏置(+3V到+4V)構思,需-5 dBm的標稱控制。 RF和LO表層為隔直表層并相匹配50 ?,施用方面,一并IF的工做頻帶寬度范疇為DC至3 GHz。 HMC338LC3B沒有線焊,行施用表貼打造技術設備。
|
品牌
|
型號
|
描述
|
貨期
|
庫存
|
|
ADI
|
HMC338LC3B
HMC338LC3BTR
|
次諧波混頻器,采用SMT封裝,24 - 34 GHz
|
現貨
|
237
|
應用
-
點對點無線電
-
點對多點無線電和VSAT
-
測試設備和傳感器
-
軍用最終用途
-
SATCOM
HMC338LC3B優勢和特點
-
集成LO放大器: -5 dBm輸入
-
次諧波(x2) LO
-
DC - 3 GHz帶寬IF
-
符合RoHS標準的3x3 mm SMT封裝
-
單正電源: +4V (31mA)
HMC338LC3B結構圖
