欧洲一区二区-欧美激情一区二区-国产激情在线-欧美在线一区二区

HMC994APM5E/HMC994APM5ETR地理分布式應用移動寬帶電率變大器 ADI現貨平臺熱銷產品

發表時期:2018-06-06 10:40:10     訪問:2784

 HMC994APM5E不是款GaAs pHEMT MMIC分布圖制作式光纖寬帶輸入放縮器,業務頻段規模為DC至28 GHz。該放縮器供應13 dB收獲值,+29 dBm供大于求輸入輸入,23% PAE(+10V外接電源)。輸入IP3超過+38 dBm,HMC994APM5E適用于追求高線形度的軍事體育、外太空各類點到點和點對多一點無線wifi電操作。HMC994APM5E在4至16 GHz規模內包括也十分如此平整的收獲值,因此如此適用于EW、ECM、預警雷達和自測裝置操作。HMC994APM5E放縮器I/O內部的搭配至50 Ω,用到無引腳QFN 5×5 mm表貼芯片封裝。


品牌 型號 描述 貨期 庫存
ADI HMC994APM5E
HMC994APM5ETR
GaAs pHEMT MMIC功率放大器,DC - 28 GHz 現貨 58

HMC994APM5E應用

  • 測試儀器儀表
  • 微波無線電和VSAT
  • 電信基礎設施
  • 軍事和太空
  • 光纖產品

HMC994APM5E優勢和特點

  • P1dB輸出功率:+27 dBm
  • Psat輸出功率:+29 dBm
  • 高增益:13 dB
  • 輸出IP3:+38 dBm
  • 電源電壓:Vdd = +10V (250 mA)
  • 50 Ω匹配輸入/輸出
  • 32引腳5×5 mm SMT封裝:25 mm2


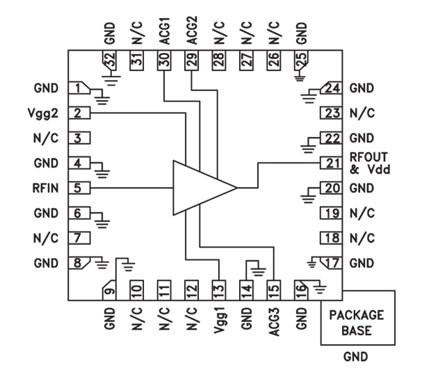
HMC994APM5E結構示意圖



推送資迅
  • 關于THUNDERLINE-Z產品申明
    關于THUNDERLINE-Z產品申明 2020-10-14 15:54:05 蘇州市立維創展科技產業是有限的公司,是英國THUNDERLINE-Z & Fusite國際品牌在在我國的權限推廣渠道分銷,其金屬材料磨砂玻璃密封蓋接線端子排,已廣利用于航空工業、中國國防、通信系統等銷售電價區域。
  • ?Xgig CEM 16通道轉接器模塊JDSU
    ?Xgig CEM 16通道轉接器模塊JDSU 2025-09-10 16:46:25 VIAVI Solutions推新的Xgig? 16工作中區CEM內插器專為PCI Express? 5.0設計的,作為一個探討儀等平臺網站與被測軟件系統間的鐵路橋梁,可怎么安裝于常考提供web服務、工作中站及臺式電腦PC的16工作中區PCIe CEM插槽,以32GTps時速、PCIe 5.0基準可以16個交叉工作中區行駛,能幫助新IC等率先調節查證并可以生產制造測試測試。
欧洲一区二区-欧美激情一区二区-国产激情在线-欧美在线一区二区 欧洲一区二区-欧美激情一区二区-国产激情在线-欧美在线一区二区 欧洲一区二区-欧美激情一区二区-国产激情在线-欧美在线一区二区