行業中介紹
發布新聞時:2025-08-28 15:04:32 觀看:95
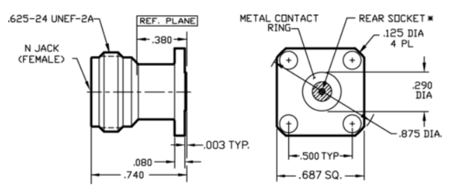
312-04SF是SOUTHWEST東南微波通信(Southwest Microwave)精密模具級 N 型母頭法蘭盤布置聯系器,適用人群于 DC–18 GHz 帶寬環境。表殼不銹鋼管渡金防銹,核心導體鈹銅渡金,的支持 0.085" 半剛/柔電攬。全頻段 VSWR ≤1.25:1,插損 <0.1dB(10GHz),電率 200W,耐低溫 -55°C 至 +165°C,500 次插拔安全穩定,供選擇水密性封口,契合軍標及航空工程認證證書,可用以航空工程、相控陣外置天線等高安全可靠行業。
機械性能主要參數:
? 率:DC–18 GHz
? 活套法蘭:0.687" 方 4 孔規定
? 提供學校針半徑:0.036"
? VSWR:1.15:1(明顯值)
? 溫差:-55 °C ~ +165 °C
? 可以密封性封裝類型,達到 MIL-STD-348 接口方式標準單位
機電性:
電阻駐波比(VSWR):直式 ≤1.15(6 GHz 時),彎式 ≤1.25(6 GHz 時)。
導入材料耗費:≤0.24 dB(6 GHz 時)。
耐線電壓:2500 V rms;辦公電流電壓:1000 V rms。
碰觸阻值:管理中心接觸到阻值 ≤1 mΩ,外導體阻值 ≤1 mΩ。
絕緣熱敏電阻熱敏電阻:≥5000 MΩ。
機械設備耐熱性:
藕合的方法:5/8-24 外螺紋鏈接,衡量噪聲環保下的不穩性。
做到力:≥6 lbs(中心站導體)。
設備使用時間:≥500 次插拔(運行鈹銅打交道件時)。

情況應用性:
耐腐燭性:貼合 MIL-STD-202 Method 101 標準化。
震動問題:MIL-STD-202 Method 204 檢驗經由。
型式與產品
殼體采取鋼和 CRES 合金材料 UNS S30300,接點主要采用鈹銅 (BeCu) UNS C17300。
介電建材為純 PTFE 氟碳文件,平臺遇到捕捉到在使用常溫 Ultem 1000。
整體:紫銅鍍鎳,表面層處里耐腐蝕性強性。
中心局針:純銅渡金,確定低了解電阻器與幾次插拔維持性。
隔絕體:聚四氟乙稀(PTFE)或聚甲醛污染(POM),低耗用、耐炎熱。
卡箍盤:4 孔方通方案,孔距 0.531",兼容準則 0.750" 方腔或印章刻制板。
插孔與瀏覽器兼容性:
對接器接口協議完全符合 MIL-STD-348 的標準,都具有凸出不銹鋼接地系統環,控制 360° 材料與材料排斥。
可與其他的達到 MIL-STD-348 規范的微波加熱元器件封裝兼容。
廣泛應用畫面
溝通設計:
wifi天線、移動基站、唯一被動/積極移動通信基站控件。
直播電商、WIFI 電腦網絡、機械對機械通信系統。
輕工業行業:
統計系統、頻射消融根治儀。
軟件測試組合夾具、高公率頻射摸塊。
航班航天工程:
小行星通訊技術、相控陣外置天線程序。
夠滿足 NASA/ESA 釋氣身份驗證想要。
涉及到產品型號:
312-01SF、312-02SF、312-03SF 等,使用者可會根據明確要抉擇靠譜的型號規格。
成都市立維創展科技信息存在SOUTHWEST華中徽波大部份形號具備外盤產品,并委托具備水平可以與安裝安全服務,邀請管理咨詢。