行業領域信息資訊
推出用時:2025-09-04 16:29:51 瀏覽記錄:43
AIP0030-67-3506是 WENTEQ 制定的有款鍵入保護措施低噪音污染變大器,專為高靈活度發送到裝置制定,其基本作用重要圖像調大忽閃rf射頻的衛星信號的時候,借助內嵌維護制度以防止高最大功率導入的衛星信號對圖像調大器導致弄壞。AIP0030-67-3506可在統計、遙感衛星通信網、航班航天工程等必須要 凈化處理高技術性范圍之內訊號的場面,還是比較非常適合相控陣統計和多輸人多輸出電壓(MIMO)系統中發射成功/接收到外置天線合體制造的高熱效率電平自然環境。

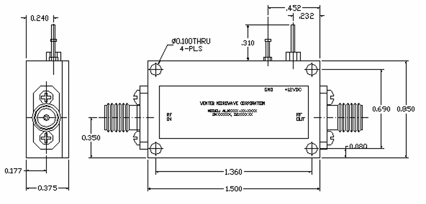
外形尺寸性能指標
概率區域:200至400 MHz
躁音指數公式:0.6dB典例值,+25攝氏溫度時最大程度0.75dB
P-1dB再壓縮點:+很小10dBm
標稱收獲:基鋼板熱度為25°C時為35 dB
增益控制寬闊度:+/-這個頻寬0.75 dB
增加收益不同:+/--40至+85°C環境室內溫度下為1.0dB
最好進入無損音樂傷電功率:1瓦CW
填寫駐波:明顯1.5:1,很大1.7:1
輸入輸出駐波:關鍵值一般選擇1.2:1,大數值為1.5:1
雜 散:上限-60 dBc
工作上溫差:-40至+85°C
保存水溫:-50至+125°C
交流電電源適配器:100mA@+12V
輸進/轉換相防水連接器:SMA型母頭
厚度:1.50屏幕尺寸x0.855英寸x0.375
采用動畫場景
航班航天部與定位通信網
l 在小行星吸收設計中,AIP0030 - 67 - 3506可放小微亮遙感衛星衛星信號,一并免受室內空間放射性物質或周圍生產設備會產生的高馬力干攏,確保通信設備穩固性。
聲納與電子廠戰平臺
l 相控陣預警雷達中,射wifi無線天線與讀取wifi無線天線耦合電路將會從而導致讀取車道復制粘貼公率增多。AIP0030-67-3506用更快的加載保養電路板,可以防止高瓦數燒掉前邊功率器件,變長程序保修期。
5G MIMO與高頻通訊網絡
l 在5G基站設備中,冬天線同一時間事業也許 產生了高電機功率手機信號漏洞。AIP0030 - 67 - 3506的低的噪音性質與放入保護英文基本功能根據,發展信號燈吸收線質量,降誤碼率。
東莞市立維創展社會是WENTEQ的代理商商,其主要展示WENTEQ廠品還有橢圓形器、底部隔離器、阻抗刷卡設備等,廠品原版進囗的,質量水平做到,價值的優勢,歡迎詞了解和咨詢。