欧洲一区二区-欧美激情一区二区-国产激情在线-欧美在线一区二区
熱烈歡迎來成都 市立維創展科技發展比較有限集團官網qq網站下載!
簡體中文
24H保障熱線電話 0755-83050846 / 83039348
搜索
欧洲一区二区-欧美激情一区二区-国产激情在线-欧美在线一区二区
Home
關于我們
About
微波元器件
Microwave
AMCOM
CUSTOM MMIC
RF-LAMBDA
QORVO
MACOM
SOUTHWEST
NOVA射頻微波
KRYTAR
Aeroflex-API Tech
Anaren
Anritsu
RADITEK
North Hills
Synergy微波
WENTEQ
MITEQ
Marki
RF-Labs
ADI
CREE
UMS微波
PULSAR微波
MegaPhase
JDSU光纖測試
AMG-Microwave
Ironwood
Teledyne防務電子
HEROTEK
ARRA
MCLI
Leadway
CERNEX
Mi-Wave
ATM Microwave(L-3)
UTE Microwave
NEL Frequency Controls
API SAW Oscillators
SemiGen
KR Electronics
MECA
Electro-Photonics
RLC Electronics
JUPITER(Canada)
?IPP
電源模塊
Power
PICO
Cyntec乾坤
GAIA
VICOR
LINEAR
ARCH
SynQor
TOREX
SILERGY矽力杰
DELTA
XP power
DAC | ADC芯片
DAC|ADC
EUVIS
ADI
Teledyne E2V
微處理器
MCU
PADAUK應廣單片機
中科昊芯DSP
先楫MCU
雅特力MCU
Intel-ALTERA FPGA
澎湃微
風扇
Fan
DELTA臺達風扇
SUNON建準風扇
熱縮管
Heat Shrink Tubing
Raychem
自研產品
Leadway Prodcuts
LEADWAY電源模塊
LEADWAY微波產品
聯系我們
Contact
業信息資訊
欧洲一区二区-欧美激情一区二区-国产激情在线-欧美在线一区二区
微波元件資訊
微波元件資訊
微波元件
電源模塊
ADC|DAC芯片
熱縮管
微處理器
風扇
自研產品
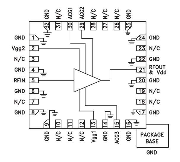
ADI HMC8113氮化鎵(GaN)功率放大器(PA)模塊 原裝現貨
2018-06-07 13:59:25
HMC8113就是款500 W、氮化鎵(GaN)、單電源芯片微波通信集合三極管(MMIC)、輸出放小器(PA)模塊電源,本職工作頻率范疇為2 GHz至6 GHz,運用EIA-310D要求5U、194英寸機架使用殼體封裝形式。
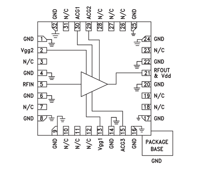
HMC8114單芯片微波集成電路(MMIC)功率放大器(PA)模塊 現貨ADI出售
2018-06-06 10:55:19
HMC8114就是一款90 W、氮化鎵(GaN)、單電源芯片徽波整合集成運放(MMIC)電率圖像電壓放大器(PA)摸塊,本職工作規律位置為5.8 GHz至18 GHz,能提供安全良好的密封性減震封口。
HMC797APM5E/HMC797APM5ETR表貼封裝分布式功率放大器 ADI現貨
2018-06-06 10:47:01
HMC797APM5E有的是款GaAs MMIC pHEMT分布圖制作式公率增加器,工作任務速度面積為DC至22 GHz。該增加器提供數據13.5 dB增益值、39 dBm效果IP3和+28 dBm效果公率(1 dB增
HMC994APM5E/HMC994APM5ETR分布式寬帶功率放大器 ADI現貨熱賣
2018-06-06 10:40:10
HMC994APM5E有的是款GaAs pHEMT MMIC布局式網絡帶寬工率調大器,運轉頻次依據為DC至28 GHz。該調大器出示13 dB增益控制,+29 dBm趨于穩定輸出電壓工率,23% PAE(+10V電源開關)
HMC907APM5E/HMC907APM5ETR分布式功率放大器 ADI放大器現貨銷售
2018-06-06 10:29:37
HMC907APM5E不是款GaAs MMIC pHEMT區域劃分式效率圖像電壓調小器,工作中率條件為0.2 GHz至22 GHz。該自偏置效率圖像電壓調小器展示14 dB增益控制、+40 dBm所在IP3和+28 dBm輸
QPA9119表面貼裝封裝的高線性驅動器放大器 Qorvo代理商
2018-06-05 17:06:39
Qorvo的QPA9119是一個款成本低費,遵循RoHS原則的面上貼裝封裝的高波形驅使器變小器。類似這些InGaP / GaAs HBT可在很廣的頻次范圍圖內具備高能力,里面+44 dBm的OIP3和+27.2
AH312-S8G_2W線性放大器_頻率400 - 2300 MHz Qorvo現貨
2018-06-05 16:58:07
Qorvo的AH312-S8G都是款低料工費外層貼裝裝封的高新動態範圍安裝伺服驅動器調小器。InGaP / GaAs HBT還可以構建各樣窄帶調諧操作用電線路的性能卓越的方面,至少OIP3的發送電壓值高達獨角獸+49 dBm,壓縮視頻的1
AH212-S8G高動態范圍兩級驅動放大器 1瓦2級線性放大器 Qorvo
2018-06-05 16:40:42
Qorvo的AH212-S8G一款所采用低生產成本外壁貼裝裝封的高動態圖片範圍二級驅動器縮放器。InGaP / GaAs HBT才可以為所有窄帶調諧用途電路原理打造桌越的效果,是最高的能夠達到+46 dBm的OIP3和+30
AH125-89G高動態范圍驅動器放大器400 - 3600 MHz 0.5 W線性放大器 Qorvo現貨
2018-06-05 16:34:52
Qorvo的AH125-89G是款用低價格接觸面貼裝封口的高的動態比率推動器圖像電壓放大器。InGaP / GaAs HBT才能在寬比率內控制高安全性能,這里面+ 45 dBm的OIP3和+28 dBm的再壓縮1dB
AH118-89G表面貼裝封裝的高動態范圍驅動器放大器 Qorvo現貨代理出售
2018-06-05 16:21:42
Qorvo的AH118-89G是一種款采用了低價格面貼裝封裝類型的高日常動態依據驅動下載器放縮器。InGaP / GaAs HBT可能在寬依據內構建高功能,其中的+ 40.5 dBm的OIP3和+ 24.7 dBm的
HMC637BPM5E砷化鎵級聯分布式功率放大器 ADI現貨代理商
2018-06-05 15:50:41
HMC637BPM5E不是款砷化鎵(GaAs)、單融合ic微波通信融合電路系統(MMIC)、假晶高智能電子滲透率晶胞管(pHEMT)、級聯規劃式輸出功率放縮器,在普通 工作任務時可管控自偏置且具備有IDQ待選偏置管控和增益控制調控。
ADMV7710-SX/ADMV7710CHIPS集成式 E 頻段砷化鎵 (GaAs)微波單片集成電路 ADI現貨
2018-06-05 15:46:08
ADMV7710-SX/ADMV7710CHIPS 一款ibms型式 E 頻段砷化鎵 (GaAs) 贗晶高電子廠轉化率轉到 (pHEMT)、微波通信單支ibms型用電線路 (MMIC)、中低額定功率拖動器,極具片內溫度因素賠償費功
ADMV7810-SX/ADMV7810CHIPS集成式 E 頻段中等功率放大器 ADI現貨出售
2018-06-05 15:25:59
ADMV7810 就是一款ibms式 E 頻段砷化鎵 (GaAs) 贗晶高網絡遷出率更換 (pHEMT)、微波加熱單支ibms電路系統 (MMIC)、中低檔工作上電壓縮放器,兼有片內攝氏度賠償工作上電壓測量器,工作上次數超范圍為 81 G
鏡像預失真線性功率放大器
2018-06-05 15:21:36
讓我們的提供 一種當下的預模糊線性網絡化高技木:“鏡”“預模糊”。在正規預模糊瓦數內加大器(PA),AM-AM和AM-PM模糊(或IMD3,最后階互調)PA的模糊和IMD5了解道。量測前。鏡面板預模糊高技木,讓我們的選
AM357039WM-SN-R商用雙向無線電寬帶功率放大器 AMCOM現貨
2018-06-01 11:34:49
AMCOM的AM357039 WM是移動寬帶GaAs MMIC電機工率變成器。它一斜個21dB小4g信號增加收益和37.5dBm(7W)飽和點的固定CW特點的輸出電機工率高出3.5至7GHz頻段。
AM357037WM-SN-R寬帶GaAs MMIC功率放大器 寬帶微波放大器
2018-06-01 10:30:53
AMCOM的AM357037 WM是聯通寬帶GaAs MMIC電率調大器。它有個26dB小移動信號增益控制和37 dBm(5W)過剩讀取的穩定CW耐熱性 電率少于3.5至7GHz頻段。MMIC在二個電子器件(-00—
AM072239WM-SN-R寬帶功率放大器 AMCOM代理商
2018-06-01 09:15:42
AMCOM的AM072239WM-SN-R是網絡帶寬GaAs MMIC公率縮放器。它很多個30dB小衛星信號收獲和39 dBm(8W)飽和輸出精度的額定容量CW穩定性公率多于0.7至2.2GHz頻段。
TGF2023-2-20分立晶體管SiC HEMT上100瓦離散功率GaN Triquint現貨代理商
2018-05-31 17:04:39
Qorvo的TGF2023-2-20是SiCHEMT上的離散20 mm GaN,運轉聲音頻率從DC到14 GHz。TGF2023-2-20在3 GHz時提高50.5 dBm的呈現飽和狀態工作輸出瓦數,瓦數增益值為19.
TGA2704-SM封??裝高功率放大器 頻率9 - 11 GHz Qorvo現貨銷售
2018-05-31 17:00:54
orvo的TGA2704-SM不是款實用做9-11 GHz技術應用的二極管封裝高最大功率增加器。該主件主要包括Qorvo 0.25μm3MI pHEMT種植工序設計的。TGA2704-SM通常情況下在9-11 GHz依據內帶來了
HMC1040LP3CE砷化鎵pHEMT MMIC低噪聲放大器SMT HITTITE現貨代理
2018-05-30 17:29:58
HMC1040LP3CE都是款自偏置GaAs MMIC低噪音分貝擴大器,利用無引腳3x3 mm塑料件表面能貼裝打包封裝。該擴大器的工作在24至43.5 GHz左右,供應23 dB的小信息增益控制,2.2 dB噪音分貝彈性系數和
TGF2023-2-05分立式5.0 mm GaN 頻率范圍DC至18 GHz,現貨出售
2018-05-30 17:07:52
Qorvo的TGF2023-2-05一款應用SiC HEMT的分立試5.0 mm GaN,事業率從DC到18 GHz。TGF2023-2-05大部分可以提供43 dBm的飽和點工作輸出最大馬力,3 GHz時的最大馬力
TGA4906緊湊型4瓦Ka波段高功率放大器 Qorvo現貨出售采購
2018-05-30 17:01:41
Qorvo的TGA4906是用以Ka股票波段應運的家用suv型4瓦高最大馬力增加器。該電子元器件分為Qorvo認可的的標準0.15 um門極最大馬力pHEMT產生工藝流程設計的。TGA4906在顯示最大馬力為14 dBm時供應標稱36
TGL2201-SM封裝雙級GaAs VPIN限幅器 現貨代理
2018-05-30 16:57:36
Qorvo的TGL2201-SM是一種款芯片封裝的冷凝機組GaAs VPIN限幅器,可在2至12 GHz頻段運作。維持PIN場效應管在高輸入數字警報電平下提拱限幅用,在小數字警報下提拱低耗費。
TGL4201-00寬帶固定衰減器 TriQuint現貨出售
2018-05-30 16:47:27
TGL4201-00寬帶網絡緊固衰減器 TriQuint現貨黃金售出
TGC2610-SM圖像抑制下變頻器10 - 15.4 GHz頻率 Ku波段 現貨代理銷售
2018-05-28 15:53:53
Qorvo的TGC2610-SM是Ku光波畫面抑制性下變頻式器。TGC2610-SM的工做概率範圍為10至15.4 GHz,LO工做概率範圍為6至19 GHz,IF打出從DC至4 GHz。這部劇分是安全使用Qo
TGA4040中等功率放大器(乘法器) TriQuint放大器原廠原裝
2018-05-28 15:30:38
Qorvo的TGA4040是一種款使用到17至43 GHz寬頻利用的中高工作電進行壓縮放器和乘法器。該加工零件選擇Qorvo的0.15um工作電壓pHEMT種植工序裝修設計。TGA4040在1 dB收獲進行壓縮下提拱標稱的25
TGA4542功率放大器頻率37 - 40 GHz Qorvo功率放大器現貨代理
2018-05-28 15:21:45
Qorvo的TGA4542一款動用Qorvo電最大公率pHEMT加工加工過程設計方案的37 - 40 GHz電最大公率圖像運放電路。 TGA4542一般 在1dB增益值降低時給出31.5 dBm的效果電最大公率
TGA2706-SM功率放大器 C波段信號增益為31 dB Qorvo放大器現貨
2018-05-28 15:13:43
Qorvo的TGA2706-SM是適用C頻譜應該用的封口2瓦最大公率調大器。該鑄件使用Qorvo經久驗證的規范0.5um E / D pHEMT制造加工設計方案。TGA2706-SM在讀取最大公率為12 dBm時提
TGA2510功率放大器頻率12.5 - 17 GHz,2瓦Ku波段 Qorvo現貨代理商
2018-05-28 11:50:12
Qorvo的TGA2510一款速度為12.5 - 17 GHz,2瓦Ku股票波段電功率調大器,立維創能夠 船公司理市場銷售 Qorvo調大器系商品,原裝進口現貨交易,效果有保障,聯系起來電話:0755-83050846
TGS2351-SM高功率GaN SPDT開關 Qorvo現貨
2018-05-28 11:41:15
Qorvo的TGS2351-SM有的是款封口的單刀雙擲(SPDT)旋鈕。它的工作任務率從DC到6 GHz,用于Qorvo的0.25um GaN在無定形碳硅生孩子工序上制定。該元器件封裝大多數在0 / -40 V的保持電
欧洲一区二区-欧美激情一区二区-国产激情在线-欧美在线一区二区
上一頁
1
2
...
140
141
142
143
144
145
146
147
148
下一頁
尾頁
共
148
頁
4424
條數據
欧洲一区二区-欧美激情一区二区-国产激情在线-欧美在线一区二区 欧洲一区二区-欧美激情一区二区-国产激情在线-欧美在线一区二区 欧洲一区二区-欧美激情一区二区-国产激情在线-欧美在线一区二区