的行業內容
正式發布用時:2018-05-25 16:55:43 搜素:9735
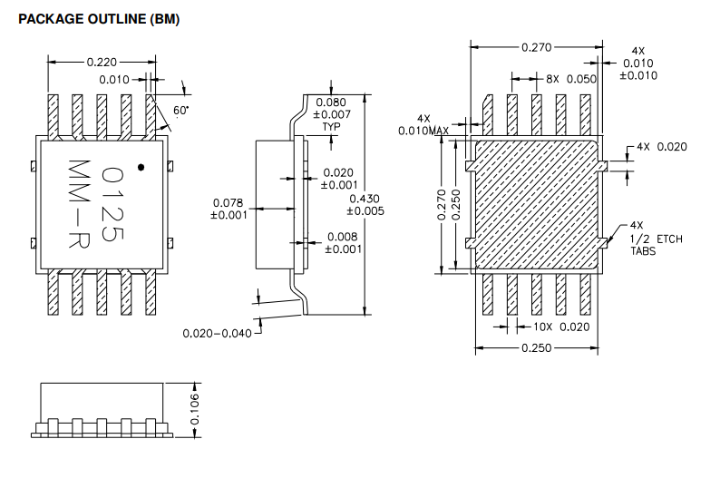
AMCOM的AM012535MM-BM-R與AM012535MM-FM-R是GaAs MMIC功率放大器系列的一部分。它有20 dB增益和33 dBm輸出功率,超過0.03到2.5 GHz。這個MMIC是在一個陶瓷封裝中,在包裝的較低的層次上有射頻和直流導線,以方便低成本的SMT組裝到PC板上。當直接安裝到PCB板上時,請參閱應用說明AN700。由于高直流功率損耗,我們強烈建議將這些設備直接安裝在金屬散熱器上。AM012535MM-FM-R是安裝在鍍金銅法蘭上的AM012535MM-BM-R。法蘭上有兩個螺絲孔,便于擰到一個金屬散熱器上。 這個MMIC是符合RoHS要求的。該產品通常在20V上有偏差,但它的工作效率低至6V,具有相同的增益和減少的輸出功率。
倘若您須得買到AM012535MM-BM-R/AM012535MM-FM-R,請單擊右邊在線客服找話題我們公司!!!
| 品牌 | 型號 | 描述 | 貨期 | 庫存 |
| AMCOM | AM012535MM-BM-R/AM012535MM-FM-R | 20 dB增益值和33 dBm模擬輸出最大功率,突破0.03到2.5 GHz。 | 現貨 | 300 |

應用