常常
AM206041WN-SN-R ?L/S/C 波段寬帶功率放大器
頻率: 1.8-6.5GHz增益: 30dBP1dB: 38dBm飽和功率: 41dBm效率: 20%電壓: 28V
頻率: 1.8-6.5GHz
增益: 30dB
P1dB: 38dBm
飽和功率: 41dBm
效率: 20%
電壓: 28V
微波T/R組件模塊
頻率:2.3-2.5GHz ISM band功率: 5W (37dBm)TX High gain, 22dB RX gain = 16dB, NF = 1.5dB 電壓: +12V ~+16V
AM00010037WN-SN-R ?L/S/C/X波段寬帶功率放大器
頻率:DC-10GHz增益:13dBP1dB(DBM):30PSAT(DBM):37效率:23VD(V):28
頻率:DC-10GHz
增益:13dB
P1dB(DBM):30
PSAT(DBM):37
效率:23
VD(V):28
AM072239WM-SN-R ?L/S波段寬帶功率放大器
頻率:0.7-2.2GHz收獲(huo):30P1dB(DBM):38PSAT(DBM):39效果:25VD(V):28
頻率:0.7-2.2GHz
收獲(huo):30
P1dB(DBM):38
PSAT(DBM):39
效果:25
AM357037WM-SN-R? S/C波段寬帶功率放大器
頻率:3.5-7GHz收(shou)獲:26P1dB(DBM):36PSAT(DBM):37吸收率:24VD(V):8
頻率:3.5-7GHz
收(shou)獲:26
P1dB(DBM):36
吸收率:24
VD(V):8
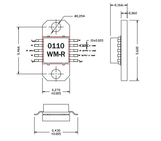
AM357039WM-SN-R L/S/C波段寬帶功率放大器
頻率:1.8-6.5GHz收獲:21P1dB(DBM):37PSAT(DBM):38.5速度:24VD(V):14
頻率:1.8-6.5GHz
收獲:21
P1dB(DBM):37
PSAT(DBM):38.5
速度:24
VD(V):14
AM003536WM-EM-R L/S波段寬帶功率放大器
頻率:0.01-3.5GHz增益值:23P1dB(DBM):35PSAT(DBM):36學習效率:20VD(V):20
頻率:0.01-3.5GHz
增益值:23
P1dB(DBM):35
PSAT(DBM):36
學習效率:20
VD(V):20
AM002535MM-EM-R L/S波段寬帶功率放大器
頻率:0.03-2.5GHz收(shou)獲:24P1dB(DBM):34PSAT(DBM):35轉化率:25VD(V):20
頻率:0.03-2.5GHz
收(shou)獲:24
P1dB(DBM):34
PSAT(DBM):35
轉化率:25
AM009023WM-EM-R L/S/C/X波段寬帶功率放大器
頻(pin)率:0.05-9GHz收(shou)獲:21P1dB(DBM):21PSAT(DBM):23錯誤率(lv):20VD(V):12
頻(pin)率:0.05-9GHz
收(shou)獲:21
P1dB(DBM):21
PSAT(DBM):23
錯誤率(lv):20
VD(V):12
AM008030WM-EM-R L/S/C/X波段寬帶功率放大器
頻率:0.05-10GHz增益控制(zhi):18P1dB(DBM):30PSAT(DBM):31工作效率:20VD(V):12
頻率:0.05-10GHz
增益控制(zhi):18
P1dB(DBM):30
PSAT(DBM):31
工作效率:20
AM012020WM-EM-R L波段寬帶功率放大器
頻率:0.1-2GHz收獲(huo):30P1dB(DBM):16PSAT(DBM):17利用率:8VD(V):8
頻率:0.1-2GHz
P1dB(DBM):16
PSAT(DBM):17
利用率:8
AM011037WM-EM-R L波段寬帶功率放大器
頻率:0.2-1.0GHz增益值:31P1dB(DBM):37PSAT(DBM):37.5轉化率(lv):40VD(V):8
頻率:0.2-1.0GHz
增益值:31
PSAT(DBM):37.5
轉化率(lv):40
AM103026MM-EM-R L/S波段寬帶功率放大器
頻率:0.9-3.2GHz收獲(huo):22P1dB(DBM):25PSAT(DBM):26有(you)效率(lv):10VD(V):14
頻率:0.9-3.2GHz
收獲(huo):22
P1dB(DBM):25
PSAT(DBM):26
有(you)效率(lv):10
AM132740MM-EM-R L/S波段寬帶功率放大器
頻率:1.3-2.7GHz增加收(shou)益:26P1dB(DBM):38PSAT(DBM):39有效(xiao)率:30VD(V):14
頻率:1.3-2.7GHz
增加收(shou)益:26
有效(xiao)率:30
AM142540MM-EM-R L波段寬帶功率放大器
頻率:1.4-1.8GHz收(shou)獲:25P1dB(DBM):39PSAT(DBM):40利用率(lv):35VD(V):14
頻率:1.4-1.8GHz
收(shou)獲:25
P1dB(DBM):39
PSAT(DBM):40
利用率(lv):35
AM153040WM-EM-R L/S波段寬帶功率放大器
頻率:1.4-3.4GHz增益(yi)值:18P1dB(DBM):37PSAT(DBM):38速率:30VD(V):12
頻率:1.4-3.4GHz
增益(yi)值:18
PSAT(DBM):38
速率:30
AM143440WM-EM-R L波段寬帶功率放大器
頻率:1.5-1.8GHz收獲:20.5P1dB(DBM):38.5PSAT(DBM):39使用率:35VD(V):12
頻率:1.5-1.8GHz
收獲:20.5
P1dB(DBM):38.5
使用率:35
AM143438WM-EM-R L/S波段寬帶功率放大器
頻率:1.5-1.8GHz增加收(shou)益:20.5P1dB(DBM):37.5PSAT(DBM):38成功率(lv):30VD(V):12
增加收(shou)益:20.5
P1dB(DBM):37.5
成功率(lv):30
AM153540WM-EM-R L/S波段寬帶功率放大器
頻率:1.5-3.5GHz增(zeng)益控制:18P1dB(DBM):39PSAT(DBM):39.5生產率:35VD(V):14
頻率:1.5-3.5GHz
增(zeng)益控制:18
PSAT(DBM):39.5
生產率:35
AM183030WM-EM-R L/S波段寬帶功率放大器
頻率:1.6-3.3GHz收獲:30.5P1dB(DBM):30.5PSAT(DBM):31.5高效率:20VD(V):8
頻率:1.6-3.3GHz
收獲:30.5
P1dB(DBM):30.5
PSAT(DBM):31.5
高效率:20
AM183031WM-EM-R L/S波段寬帶功率放大器
頻率:1.6-3.3GHz增益值:31.5P1dB(DBM):31.5PSAT(DBM):32.5熱(re)效(xiao)率:25VD(V):8
增益值:31.5
P1dB(DBM):31.5
PSAT(DBM):32.5
熱(re)效(xiao)率:25
AM184635WM-EM-R L/S/C波段寬帶功率放大器
頻率:1.8-4.6GHz增加收益:30P1dB(DBM):35PSAT(DBM):37效果:25VD(V):7
頻率:1.8-4.6GHz
增加收益:30
VD(V):7
AM204437WM-EM-R S/C波段寬帶功率放大器
頻率:2-4.4GHz增益控制(zhi):30P1dB(DBM):36PSAT(DBM):37生產率:25VD(V):8
頻率:2-4.4GHz
增益控制(zhi):30
生產率:25
AM244236WM-EM-R S/C波段寬帶功率放大器
頻率:2.4-4.2GHz增益值:31P1dB(DBM):36PSAT(DBM):36.5轉化率:30VD(V):8
頻率:2.4-4.2GHz
PSAT(DBM):36.5
轉化率:30
AM254038WM-EM-R S波段寬帶功率放大器
頻率:2.5-4GHz增加收益:18P1dB(DBM):38PSAT(DBM):39效果:30VD(V):12
頻率:2.5-4GHz
增加收益:18
效果:30
AM254540WM-EM-R S/C波段寬帶功率放大器
頻率:2.5-4.5GHz增益控制:17P1dB(DBM):38PSAT(DBM):39率:35VD(V):12
頻率:2.5-4.5GHz
增益控制:17
率:35
AM264240WM-EM-R S/C波段寬帶功率放大器
頻率:2.6-4.2GHz增益控制:20P1dB(DBM):39PSAT(DBM):40學習效率:35VD(V):14
頻率:2.6-4.2GHz
增益控制:20
學習效率:35
AM304031WM-EM-R S/C波段寬帶功率放大器
頻率:2.6-4.6GHz增益控制:31P1dB(DBM):32PSAT(DBM):32.5轉化率:25VD(V):8
頻率:2.6-4.6GHz
增益控制:31
P1dB(DBM):32
AM284233MM-EM-R S/C波段寬帶功率放大器
頻率:2.8-4.2GHz增加(jia)收益:34P1dB(DBM):33PSAT(DBM):34效果:25VD(V):8
頻率:2.8-4.2GHz
增加(jia)收益:34
P1dB(DBM):33
PSAT(DBM):34
AM324036WM-EM-R S/C波段寬帶功率放大器
頻率:3-4.2GHz增益值(zhi):29P1dB(DBM):36PSAT(DBM):36.5有效率:25VD(V):8
頻率:3-4.2GHz
增益值(zhi):29
有效率:25
共3頁80條數據