領域新聞咨詢
公布期限:2022-05-09 16:50:04 打開網頁:1159
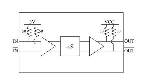
DV008是款16針3x3mm塑膠板材QFN二極管封裝的髙速8分頻器。在其高進入遲鈍性、低的輸出相位環境噪聲和小盡寸盡寸,DV008尤其適用從網路電力、器材儀器、無限電/雷達觀測觀測到醫療保健服務培訓等豐富運用。DV008滿足差分讀取和輸出的,可聯收從0.2GHz(正弦交流電波、直流變壓器方波)到14GHz的進入頻繁 。需在一款+5V的按鈕電壓。

核心特征描述
?0.2-14GHz上行寬帶
?低相位噪聲污染:-140dBc/Hz
?高投入靈活性:-25dBm
?導出震幅:800mVp-p(差分)
?差分輸入和傷害
?50?填寫/輸出精度輸出阻抗
?單開關按鈕24v電源:+5V
?電流值材料耗費:75mA
?16針3x3mm塑膠片QFN裝封
珠海市立維創展社會是EUVIS的銷售商供應商商,核心提拱EUVIS的世界十大權威的高速度數模變換DAC、直接的數字6速度獲得器DDS、多路復用DAC的電子器件級新好產品,或是高速收費站爬取板卡、情況波型檢測器等新好產品,原廠現貨黃金,價格多少的優勢,喜歡了解和咨詢。
情況清楚EUVIS請打開://www.anchor-appliance.cn/brand/24.html