這個行業介紹
發布新聞時段:2022-05-20 17:10:16 看:2000
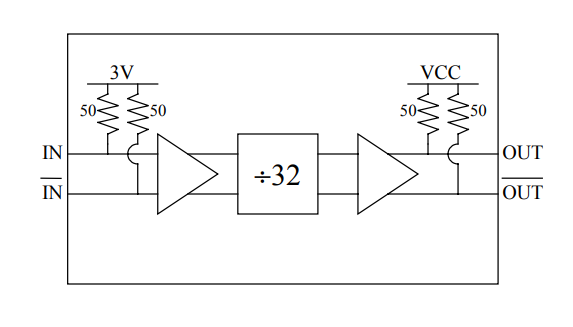
DV032是EUVIS的16針3x3mm塑料QFN高速封裝除以32靜態分頻器。由于輸入靈敏度高,輸出相位噪聲低,小規格尺寸,DV032廣泛應用于網絡通訊、儀器儀表、無線電/雷達等領域。DV032接收0.2GHz(正弦波、直流方波)14GHz輸入頻率,需要一個 5V的單電源。

最主要表現形式
?0.2-14GHz速率
?低相位噪音:-140 dBc/Hz
?高錄入機靈度:-25 dBm
?輸出振動幅度:800 mVp-p(差分)
?差動設置和讀取
?50? 輸出/所在電位差
?單電源模塊:+5V
?電流值耗電量:72mA
?16針3x3mm朔膠QFN裝封
廣州市立維創展科技欧洲一区二区-欧美激情一区二区-国产激情在线-欧美在线一区二区是EUVIS的代理權供應商商,關鍵給予EUVIS的全.球杰出的髙速數模更換DAC、進行數字式規律制作而成器DDS、重復使用DAC的存儲芯片級服務,已經快速路爬取板卡、動態數據弧形發生的器等服務,原版現貨交易,成本其優勢,誠邀服務咨詢。
詳細情況明白EUVIS請打開://www.anchor-appliance.cn/brand/24.html