AD9176雙安全通道16數字模互轉器(DAC)
發表精力:2024-06-12 09:21:24 搜素:6938
AD9176是ADI一款高性能的雙通道16位數模轉換器(DAC),支持高達12.6 GSPS的DAC采樣速率。它采用了8線15.4 Gbps
JESD204B數據輸入端口,以及高性能的片內DAC時鐘倍頻器和數字信號處理功能,非常適合于單頻段和多頻段直接到射頻(RF)無線應用。
| Model' | Temperature Range | Package Description | Package Optio |
AD9176BBPZ AD9176BBPZRL AD9176-FMC-EBZ | -40℃to+85℃ -40℃ to+85℃ | 144-Ball Ball Grid Array,Thermally Enhanced [BGA_ED 144-Ball Ball Grid Array,Thermally Enhanced [BGA_ED] Evaluation Board | BP-144-1 BP-144-1 |
該DAC的優點和缺點富含每一位RF
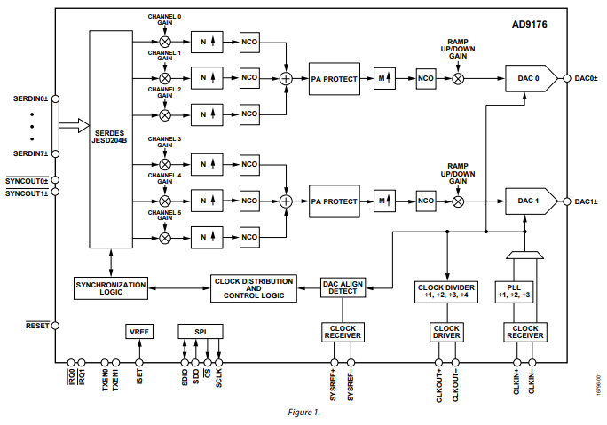
DAC資料信息路勁更具三大重復使用技術技術資料信息插入工作區,每一位插入工作區能夠以幾乎旁通。每一位資料信息插入工作區(或端口挑選器)富含可手機配置的增加收益級、內插濾波器和用做具備靈活性高多頻段開發計劃的工作區數控車床諧振器(NCO)。AD9176支撐達到了3.08
GSPS的重復使用技術技術資料信息數率(I/Q),或達到了6.16 GSPS的非重復使用技術技術資料信息數率(現場),并能將許多重復使用技術技術插入資料信息流平均分配給任意工作區開展分開治理 。

AD9176還適用加寬統計的數值信息分析頻率玩法,不可以繞開無線信道使用器和主統計的數值信息分析路徑名,為一個16位DAC可以打造了將高至6.16
GSPS的明顯統計的數值信息分析頻率,或為雙路16位DAC可以打造了將高至3.08 GSPS的明顯統計的數值信息分析頻率,或為雙路12位DAC可以打造了將高至4.1 GSPS的明顯統計的數值信息分析頻率。 AD9176使用144球BGA_ED芯片封裝,幫助于wifi手機光纖通信基礎框架裝置、多頻段移動信號塔wifi手機電、微波加熱/E頻段返程操作系統、儀器機智能儀表、自動化各種測試機(ATE)、雷達探測和抑制器等app。其貨品特點主要包括低功能消耗多短信通道雙路DAC設計,幫助單頻段和多頻段wifi手機app,極限多路復用數據源資料強度高達到mghg3.08
GSPS(16位分辯率)和高達到mghg4.1 GSPS(12位分辯率),已經加寬服務器帶寬單路DAC形式,幫助高達到mghg6.16 GSPS的數據源資料強度(16位分辯率)。 功用個方面,AD9176搭載多頻段無線數字用途,每一個RF DAC極具3個可旁路多路復用技術統計數據表格統計輸出入口,每一個輸出入口的最大的多路復用技術輸出統計數據表格統計濃度達3.08
GSPS,每一個輸出入口極具5個人格獨立的NCO,轉用的低雜散和偏色設置的,比較靈活的8線、15.4 Gbps
JESD204B主板接口,搭載單頻段和多頻段適用經典案例,搭載12位高體積經濟模式,多處理器同時進行,搭載JESD204B子類1,能選擇內插濾波器,1×、2×、3×、4×、6×和8×可手機耐熱性統計數據表格統計入口插值,1×、2×、4×、6×、8×和12×可手機耐熱性不可能插值,不可能的48位NCO,以DAC濃度工作,可搭載高達到6
GHz的率提煉,放射使能功用可滿足更多節電和中游三極管自我保護,高耐熱性、低燥聲PLL數字掛鐘倍頻器,搭載12.6 GSPS
DAC的更新率,極具能選分頻比的觀擦ADC數字掛鐘驅動程序器,或低額定功效設置的,2.54 W功效,極具倆個以12 GSPS工作的DAC,DAC
PLL關掉,極具合金減弱遮陽蓋的10 mm × 10 mm 144球BGA_ED封口,間隔距離為0.80 mm。
深圳市立維創展科技是ADI的代理商商。ADI集成ic貨品批售:拖動器、規則化貨品、數據文件轉移器、音頻圖片貨品、寬帶網貨品、石英鐘和自動IC、電信光纖傳輸和電信光纖傳輸微波通信貨品、端口和間格、MEMS和感知器、電源適配器和熱經管、正確處理器和DSP、rf射頻和幾何圖形正確處理器、觸點開關和分路器等。
大部份的產品,均可以提供外盤庫存管理供貨渠道。*部份規格需申報進口許證 ,熱烈歡迎了解!!!