該行業新聞
推送的時間:2024-10-28 16:57:56 瀏覽訪問:738
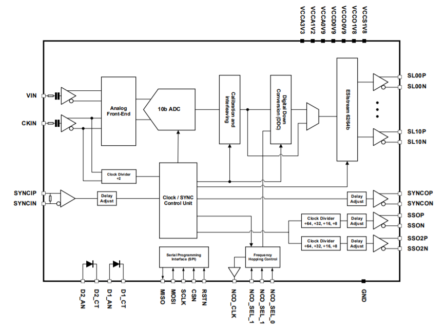
EV10AS940是款適合10位Ka中波段的單路法向齒互轉器(ADC),采樣系統率高至12.8GSps,模塊耗率為2.5W。考慮到集成式化2個NCO,應具數字1下變頻式(DDC)和跳幀(FH)功用性,有著多種數字6出入口。EV10AS940所用無機板材封裝內容,都可以控制高速公路和上行寬帶測試儀控住。

癥狀
33GHz(-3dB)模擬系統服務器帶寬
高至12.8GSp
10位辯別率
2.5W功用損耗費
500mVpp滿測量使用范圍讀取高技術性使用范圍
單端微波射頻和石英鐘鍵入,帶板上交流電塊和50Ω回復式
板上背面較準
數據下變頻柜(DDC)
I/Q下交流變頻,要具備2到1024比列
1個粗通道或許多4個細入口通道可不可以的選擇
快速跳幀,必備專用箱型確保性管控和3跳選擇項:
相位從置
相位間隔性
相位中國統一性作用(其它短信通道4個相位激發器)
適用到于波束生成的數字6延時和可代碼編程增加收益值
11個同樣HSSL
ESIstream 62/64b合同
多ADC微信同步模塊
3.3V/1.8V/1.2V/0.9V觸點電源電路適配器
高效、性價比最高的1.2V至1.8V SPI轉換開關供電
16.0x17.6mm2有機質FCBGA
寬度為0.8mm的350個積分兌換(SAC305)
最多場景濕度:-55°C(Tcase)至125°C(Tj)
RoHS(無鉛)
采用研究方向
遙感衛星通訊設備發射成功體統,
光纖寬帶溝通使用系統性,
機載雷達天線(SAR)導彈發射控制系統
通訊設備衛星通訊設備、測控程序、參數通道
微電子戰(監視器/測量)
國防溝通軟件
航天軍工用行業用途現貨平臺遙測軟件系統
數值手機存儲示波器
高速的遙測體系
射電天文
東莞 立維創展社會是Teledyne E2V的代理商商,一般總需求Teledyne E2V數模轉化成器和光電器件,Teledyne E2V的應用業務領域包涵數據通信、定時化、顯示、醫療機構、安全等。費用優缺點,喜愛顧問。
上一篇: 高速模數轉換器ADC時鐘極性與啟動時間