制造業內容
推送時長:2024-11-13 17:32:14 挑選:853
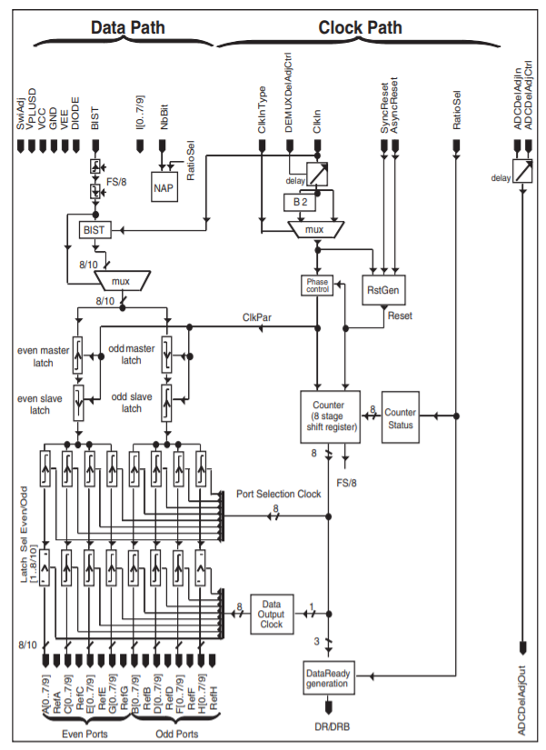
TS81102G0FS是E2V的兩款單支10位快速(高至1.5Gsps)多路分用器。DMUX一般而言中用和各項ADC此外業務,更加具有體地說,TS81102G0FS與e2v繞城高速ADC 8位1Gsps TS8388B、ADC 10位2Gsps TS83102G0B好適應。
TS81102G0FS并選擇要經過寬裕考驗的框架,具有卡頓調節與可以調整式傷害電平。
TS81102G0FS是可以讓用戶組將高速的工作輸出的數據流方案到規格預警處里器帶寬(規格FPGA)

包括特點
可程序編寫DMUX占有率:
-1:4的數據效率高=750 Msps
-PD(8b/10b)<4.3/4.7W(ECL 50轉換)
-1:8資料時延至高=1.5Gsps
-PD(8b/10b)<6/6.9W(ECL 50打印輸出)
-1:16,帶1個TS8388B或1個TS83102GO和2個DMUX
多處理機系統輸出精度模試
8/10位
.ECL差分填寫大數據
.數劇提前需要準備或數劇提前需要準備/2輸入數字時鐘
.顯示掛鐘采集網絡延時調結
單端導出數據文件:-能自由調節式共模和晃動-思想性閥值決定性傷害
-ECL、PECL、TTL
.異步更改
同樣開啟
.ADC和DMUX多路通道技術水平軟件運用:軟件運用于ADC監測時實居采和獨自延期調試方案
差評分據預備效果
嵌入自我檢查(BIST)
雙24v電源VEE=-5V,Vcc=5V
·處于影響耐受性力整個設計的(估計突破100 Krad(Si))
熱提高CQFP196腔學習封裝
淘汰
工作任務水溫:
-C級:0C-V級:-40℃-M級:-55C·“C”、“V”和“M”級的規格查級別
·ESA SCC 9000“M”級地方建立的過程 (依據要)
廣州立維創展信息技術是Teledyne E2V的代理商商,大部分供求關系Teledyne E2V數模轉為器和半導體行業,Teledyne E2V的軟件應用范圍是指流量、自動控制化、出現、社區醫療、的環保等。價錢勝機,熱情接待網絡咨詢。