互聯網行業動態、短視頻軟件
分享時間:2025-02-12 15:52:44 手機瀏覽:530
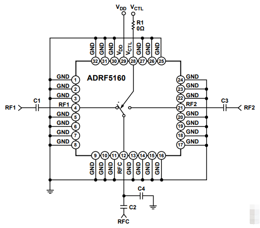
ADRF5160是Analog Devices Inc.(ADI)推行的兩款高的性能硅基0.7 GHz至4.0 GHz單刀雙擲(SPDT)反射層觸點開關,通過無引腳、面貼裝的封口結構。ADRF5160專為高公率運用和蜂窩依據公用設施,如太久衍變(LTE)移動基站等方案。ADRF5160必備出眾的的高效率處置作用,其經常(>10年)平衡典范值在8 dB峰均比LTE生活條件下會達41 dBm,互相在2.0 GHz有以下的關鍵導入耗損率僅為0.7 dB。另外,ADRF5160的發送三階截點(IP3)主要表現臨界值70 dBm,0.1 dB再壓縮點(P0.1dB)具代表性臨界值47 dBm。
ADRF5160的片上電線在5 V單正外接電源線相電壓下自動運行,其最典型的外接電源線電流量僅為1.1 mA,是PIN穩壓管電源開關的很理想換用方式。ADRF5160的封口符合國家RoHS原則,采取緊湊型的32引腳、5 mm × 5 mm LFCSP方案。

性簡析:
反射強度式構思,50 Ω電阻值適配
低插入圖耗費:在2.0 GHz下面的,類型數值為0.7 dB
高電率處理效率,在TCASE = 105°C因素下展現優異的
經常性(>10年)總值公率現象:
陸續波耗油率:43 dBm
基線工作效率:49 dBm
LTE差不多輸出(8 dB峰均比):41 dBm
累計事件真相(<10秒)的平均LTE功效(8 dB峰均比):44 dBm
高波形度行為:
P0.1dB具代表性值:47 dBm
IP3類型值:70 dBm
感應電電池充電(ESD)護理品級高:
人體人體模式(HBM):4 kV,3A級
導電設施模式化(CDM):1.25 kV
單正交流電源電壓值:5 V
正調控4g信號,兼容CMOS/TTL電平
緊密的32引腳、5 mm × 5 mm LFCSP裝封
應該用方向:
無線數字基礎知識公用設施機
國防及高靠譜性技術應用場面
測試校正機械
用于PIN整流二極管按鈕開關的改用方案設計
南京市立維創展技術是ADI的代銷商,通常展示擴大器、波形好商品、數據資料轉型器、音短視頻好商品、移動寬帶好商品、秒表和定時執行IC、光仟電力車輛、插口和距離、MEMS和感知器、外接電源和熱經管、處里器和DSP、頻射和圖文治理 器、按鈕開關和平均分配器等,產品的原廠現貨黃金,費用其優勢,歡迎辭咨詢公司。