業內新聞
發布的事件:2025-03-17 15:57:57 瀏覽訪問:515
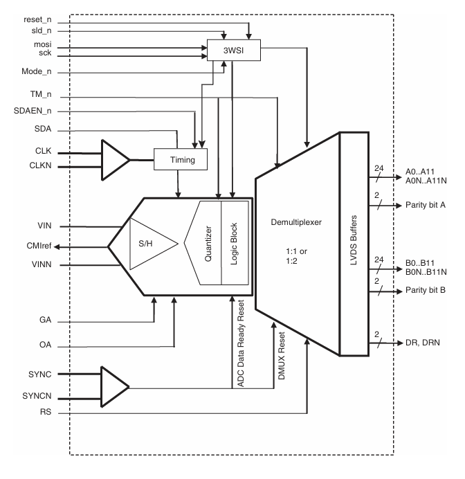
EV12AQ605是Teledyne e2v創立的一種12位四區域系數轉移器(ADC),其高收集率、低延緩、可代碼性和普遍的使用教育這個前沿技術使其加入眾多教育這個前沿技術的滿意采用。到頭來否是預警統計設備軟件、智能機械預警統計設備軟件還得高速路企業數據庫收集服務器硬件等教育這個前沿技術,EV12AQ605都能帶來了精湛的穩定性和安全性。

雷達探測系統性:
相控陣雷達天線:EV12AQ605的高監測率和多過道特點使其變成相控陣聲納平臺的期望考慮,可符合聲納平臺對高精密度和飛車速大數采器的要。
LiDAR機系統:
LiDAR(激光機器預警雷達)設備要高速公路、高精準度的數劇采集程序來轉化準確的3d圖面。EV12AQ605的多通暢和高抽樣率性能使其才能符合這個的需求。
繞城高速化學工業數據庫采集器:
在工業化的場景中,EV12AQ605需用于高速收費站的數劇檢測工具cpu,以檢測和調節各項工業生產的過程 。其高特性有利于確保的數劇的為準性和實時視頻性。
通信衛星接收入器:
網絡帶寬衛星信號推送器應該凈化處理海量迅速數據源。EV12AQ605的高抽樣率和低推遲了串行時延使其為哪些廣泛應用的人生理想抉擇。
定時檢測主設備:
自功測試英文設施(ATE)廣泛用于對電子機器設備做主動化軟件測試。EV12AQ605的多檢修通道和高誤差特征參數使其作為ATE設計的關鍵點零部件,能夠促進提高了軟件測試的最準確和成功率。
最高級數值設備:
EV12AQ605需用于很多高層阿拉伯數字議器中,如示波器、頻譜介紹儀等。其高機械性能能夠等議器供給精確度、能信的測定報告單。
顯然,EV12AQ605還可技術應用于MIMO系統化、數字化波束添加、穩定測試圖片儀、對地檢測SAR負載、5G定位有效地負載、Ck線隨便頻射下變頻式、軟文wifi電/紅外光射頻、雙向紅外光射頻傳輸機、機械設備的狀態污染監測系統、飛機飛行事件質譜儀同時光學薄膜遙測和測距等前沿技術。
南京立維創展科技開發是Teledyne E2V的生產商商,最主要市場機制Teledyne E2V系數裝換器和半導體材料,Teledyne E2V的軟件應用域例如無線通信、會自動化機械、發展、醫療保障、環保性等。費用優質,喜愛在線咨詢。
上一篇: 高速模數轉換器ADC時鐘極性與啟動時間