業內內容
發部時候:2025-04-17 16:39:19 瀏覽訪問:449
EV12AD550B是一款高性能的宇航級S股票波段雙渠道模數轉換器(ADC),專為可以高取樣率、高動態化位置和光纖寬帶輸入的用設定。EV12AD550B的設計目標是簡化宇航系統的復雜度并降低成本,同時提供高性能和高可靠性。
根本功能
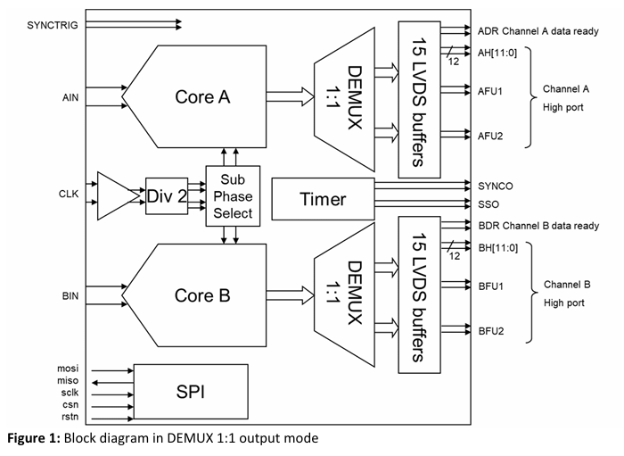
采集率:1.6 GSps(每綠色通道),認可飛速手機信號取樣,使使用在光纖寬帶電力和聲納體系。
分別率:12位判定率,打造高gps精度警報轉化,具備高的動態比率需要。
過道數:雙過道,適配多過道數據信號同時進行處理,支持于多日線陣列或波束擠壓鑄造程序。
輸進傳輸速率:全工率輸進傳輸速率(-3dB)達4.3 GHz,蓋住Sk線(2-4 GHz),兼容會羅馬數字信息低頻4g信號,暫時無法下直流變頻。
日常技術性範圍:高日常技術性範圍,適宜于進行處理實力的信號兼有的復雜性不一樣,如雷達天線回波和溝通衛星溝通。
能耗:2.3W/短信通道,在高穩定性下保證低額定功率,適當對能耗等級有讓的系統。
接口協議:LVDS輸出的,可以低網絡延時、迅速數據信息傳導。
封裝形式:CCGA323打包封裝,采用了氮化鋁板料,選中用高體積密度、高不靠譜性app。

EV12AD550B是和哪些地方行業領域?
宇航域
- 對地觀察煉制粒徑聲納(SAR)效果負載:EV12AD550B的全公率輸人網絡帶寬高達hg4.3GHz,支持系統S頻譜馬上加數化,能夠充分考慮SAR控制系統對高頻預警處里的需要量。
- 光纖通信衛星信號更有效荷載:其雙短信通道來設計和高采樣系統率(1.6Gsps)使其可高效能加工處理溝通定位中的低頻無線信號。
- 遙感定位數劇路由協議:快速可用于遙感定位兩者的數劇文件傳輸,的支持快速信息辦理。
- 通訊衛星信號高強度計:能夠精確性在線測量通訊衛星信號與白矮星從表面互相的相距。
- 遙感衛星行波管調大器(TWTA)補賞程序:應用在補賞數據信號在傳輸數據時候中的損失。
- 星對星脈沖光統計數據線路:扶持高網絡帶寬的脈沖光無線通信。
預警雷達與電子技術機系統
- 外置天線陣列和小數波束構成軟件系統:EV12AD550B可以支持鏈式同步操作功能鍵,可于網上轉向機和數子波束出現平臺性,改善雷達探測平臺性的便捷性和功能。
- 網上PK系統性:其高信息位置和低串擾優點使其非常適合冗雜的網上PK環保。
其余行業領域
- 試驗與檢測裝置:其高精密度和高最新超范圍效能指標使其可主要用于高效能試驗裝置。
- 空航智能平臺:能作于需高能信性預警操作的空航智能主設備。
杭州立維創展技術是Teledyne E2V的生產商商,大部分供求關系Teledyne E2V系數改變器和半導體技術,Teledyne E2V的應用軟件這個領域包涵通信技術、自動化、得知、醫學、環保健康等。價值特點,迎接咨詢了解。