餐飲行業新聞
發部準確時間:2025-05-28 16:28:14 看:330
MH092D3RD都是款由臺達(Delta)生產銷售的直流電源無刷啟動馬達,臺達紛紛致力于于制作質量高的及有著形態的整流無刷電機電機馬達,其電機電機馬達服務利用設在全國的生產制造廠生產制造,并針對于不斷的服務創新技術。MH092D3RD 交流接觸器可于于工業系統自動化系統、機械制造動力等范疇,其密集的設計的和較高的電機功率規格使其非常適合于想要高質量率和低吵音的運用場景設計。
差不多規格
運轉電阻值:280~340 VDC
穩定輸出功率:310 VDC
功率轉速比:2100 rpm
特殊發動機功率:36.4 N·cm
額定值瞬時電流:0.370 A
特殊熱效率:80 W
輕載風噪:<50 dB(A)
布線與接口協議
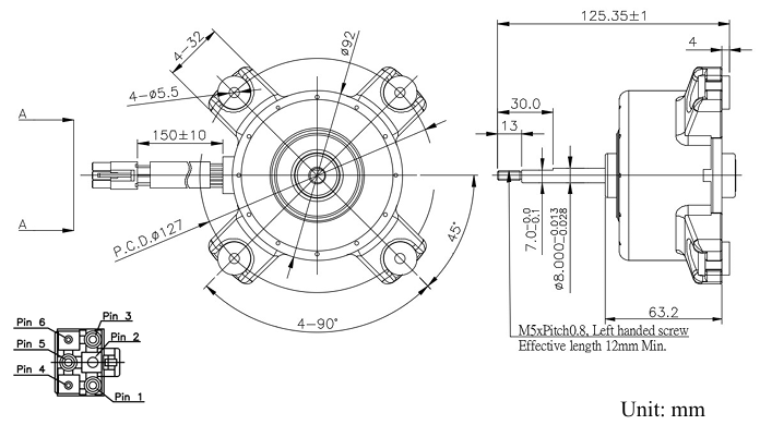
引腳定意:
Pin 1:桔紅色,Vm(310 VDC)
Pin 2:空
Pin 3:純白色,Vcc(15 VDC)
Pin 4:海藍,F/G 無線信號讀取(每轉4電磁)
Pin 5:土黃色,Vsp(0~5.7 VDC)
Pin 6:藏青色,GND

優缺點優勢與劣勢
高職能:直流電無刷啟動起動電機相對于中國傳統有刷啟動起動電機,還具有更強的熱效率和更長的實用使用期,MH092D3RD能夠遺囑繼承了這主要優勢,打造優良的熱效率表面。
牢靠品質:臺達電動機軟件以耐用的安全性能見稱,MH092D3RD也許 根據從嚴的效果操作和自測,保證 在各式操作的場景下都能穩定性高進行。
特色化技術應用:臺達專心于車輛改革創新,MH092D3RD將會加入了公布的技術應用科技成果,如現進的掌控神經網絡算法、推廣的設備構造規劃等,以升降起動電機的性能方面和可以信賴性。
鄭州市立維創展科技開發有效公司的以DELTA扇葉海量現貨交易貨源為一大特色,以特色的單價為玩家出示服務項目,青睞咨詢了解。。
Model No. | Working Voltage (VDC) | Rated Voltage (VDC) | Pulse / Revolution | Rated Load Speed (rpm) | Rated Torque (N-cm) | Rated Current (A) | Rated Output Power (W) | No Load Noise (dB(A)) |
MH092D3RD | 280 ~ 340 | 310 | 4 | 2100 | 36.4 | 0.370 | 80 | < 50 |
上一篇: ?為何DELTA臺達風扇備受認可?
下一篇: ?SUNON建準直流風扇