常常
LA302 Z–10GHz差分限制放大器
LA302 Z–10GHz差分限制放大器快速路數據文件電力16針朔膠QFN打包封裝抽樣率:限幅變成器填寫傳輸速率:10 GHzSFDR:
LA310Z–8.3 GHz差分限制放大器
LA310Z–8.3 GHz差分局限變大器監測率:限幅放小器輸出帶寬的配置:10 GHzSFDR:
10 Gbps跨阻放大器 TA205C
10 Gbps跨阻縮放器 TA205C基本功能:10 Gbps跨阻變成器(5V)
LD162D? 差分激光二極管驅動器
OC-192/STM-64/10GbELD162DZ\U_G0 差分激光束穩壓管驅動程序器32針QFN打包封裝功效:差分TOSA驅動包器(5V)
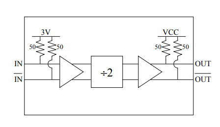
14GHz Divide-by-2 DV002
14GHz Divide-by-2 DV002分頻比:2鐘表頻率:14 GHz特征描述:低剩余電量
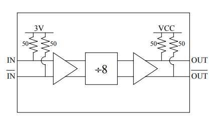
14GHz Divide-by-8 DV008
14GHz Divide-by-8 DV008分頻比:8石英鐘規律:14 GHz特征:低電量
特征:低電量
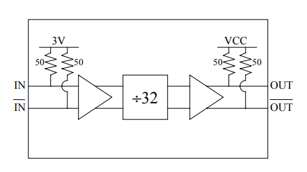
14GHz Divide-by-32 DV032
14GHz Divide-by-32 DV032分頻比:32數字時鐘頻繁 :14 GHz特點:低電池電量
12GHz Dual-Modulus Divide-by-4/5 DV45D
12GHz Dual-Modulus Divide-by-4/5 DV45D分頻比:4/5秒表頻點:12 GHz特色:雙模量4/5
10GHz Programmable Divide-by-2 to 31 DV31P
10GHz Programmable Divide-by-2 to 31 DV31P分頻比:2?31秒表頻率:10 GHz本質特征:可編學習法向齒2?31
8GHz Programmable Divide-by-128 to 255 DV255N
8GHz Programmable Divide-by-128 to 255 DV255N分頻比:128?255鐘表幾率:8 GHz特征描述:可java開發法向齒128?255
共2頁40條數據