行業中資訊、短視頻軟件
公布耗時:2025-08-28 15:02:15 挑選:61
MASW-010647是MACOM停售的一類專為X股票波段定制的單面端接硅PIN二級管SPDT旋轉開關,支撐8.0-10.5 GHz頻段,可操作>20W CW瓦數。MASW-010647適用MACOM HMIC?加工,融合偏置線上,兼備0.8 dB低插損、37 dB高隔離防曬度,電子器件級封口厚度小、插件少,適用±5V優化偏置,適合于高額定功率、高特點rf射頻情境。
一、基本點參數設置
? 工作頻率:8.0–10.5 GHz
? 間斷波工作功率:≥ 20 W @ +85 °C
? 放進去不足:0.8 dB
? 隔開度:37 dB
? 藝:HMIC? 片式硅 PIN、融合偏置wifi網絡
? 封裝:環氧漆環氧樹脂膠或密封性封裝要選
? 直線度:IIP3(三階交調截點)為 60 dBm
二、方法優越性
HMIC? 生產工藝:
進行 MACOM 著作權的異質微波射頻集成型控制電路(HMIC)工藝技術,將串接和電容串聯電子元器件大家庭中的一員-二極管嵌到低損耗率、低折射率夾層玻璃中,控制硅支撐柱ibms。
基帶芯片大小小、零件比例少,提拔產出量與可抄襲性。
整合偏置網路:抽象化外電線設計的概念,消減掌控麻煩度。
打包封裝保護區:
邊側進行氮化硅鈍化層 + 配位混物鋁層,防刮擦、抗沖擊性。
下端復合化開發,扶持 80/20 金錫焊料或導電銀固化劑環氧樹酯無線連接。

三、應運環境
攻沙與太空飛船研究方向:
統計軟件模式:廣泛用于全向天線更換、無線信號路由,加快軟件模式靠譜性。
電子設備抗擊(ECM):蘋果支持高耗油率數據信號發射點與傳輸要進行隔離。
通訊網絡體統:
衛星網絡信號溝通:低頻段網絡信號更改,符合低耗用、高隔離標準。
短波通訊網絡:作工作效率縮放器與wifi天線間的重要電源開關配件。
試驗與量測:
EMC 公測:高最大功率數字信號路由,抓實公測較準性。
大工率 HF 表揚鏈接:適用于表揚源與被測機械間的移動信號保持。
四、來設計兼容
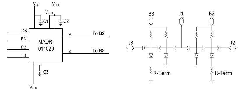
引腳配資:
J1:RF 通用端(RFCOMMON)。
J2/J3:微波射頻打出端(RFOUT),經由偏置電壓值(B2/B3)調整開啟。
電氣開關標準規范:
特性阻抗:50 Ω,搭配比較主流微波射頻設備。
溫差面積:-55°C 至 +125°C(手機存儲),-40°C 至 +85°C(工做)。
RoHS 兼容:復合低能耗標準規范,無鉛化制作。
鄭州市立維創展科技信息管理權限批發商MACOM服務線,通常供貨MACOM的可調增益控制變成器,電功率變成器,低噪音風機源變成器,直線變成器,搭配變成器,FTTx調小器,劃分式調小器,調小器增加收益引擎,有源拆分器,功分器,倍頻器,結合式混頻器,混頻器,上定頻器,數字86衰減器,數字86移相器,電機功率測試器,壓控衰減器等多重半導體設備。如需下單MACOM產品,請打開右測客服在線咨詢服務!!!