欧洲一区二区-欧美激情一区二区-国产激情在线-欧美在线一区二区
迎接來上海市立維創展科技公司有限的公司官網企業網站!
英文版
24H服務熱線電話 0755-83050846 / 83039348
搜索
欧洲一区二区-欧美激情一区二区-国产激情在线-欧美在线一区二区
Home
關于我們
About
微波元器件
Microwave
AMCOM
CUSTOM MMIC
RF-LAMBDA
QORVO
MACOM
SOUTHWEST
NOVA射頻微波
KRYTAR
Aeroflex-API Tech
Anaren
Anritsu
RADITEK
North Hills
Synergy微波
WENTEQ
MITEQ
Marki
RF-Labs
ADI
CREE
UMS微波
PULSAR微波
MegaPhase
JDSU光纖測試
AMG-Microwave
Ironwood
Teledyne防務電子
HEROTEK
ARRA
MCLI
Leadway
CERNEX
Mi-Wave
ATM Microwave(L-3)
UTE Microwave
NEL Frequency Controls
API SAW Oscillators
SemiGen
KR Electronics
MECA
Electro-Photonics
RLC Electronics
JUPITER(Canada)
?IPP
電源模塊
Power
PICO
Cyntec乾坤
GAIA
VICOR
LINEAR
ARCH
SynQor
TOREX
SILERGY矽力杰
DELTA
XP power
DAC | ADC芯片
DAC|ADC
EUVIS
ADI
Teledyne E2V
微處理器
MCU
PADAUK應廣單片機
中科昊芯DSP
先楫MCU
雅特力MCU
Intel-ALTERA FPGA
澎湃微
風扇
Fan
DELTA臺達風扇
SUNON建準風扇
熱縮管
Heat Shrink Tubing
Raychem
自研產品
Leadway Prodcuts
LEADWAY電源模塊
LEADWAY微波產品
聯系我們
Contact
微波射頻元電子電子元件
欧洲一区二区-欧美激情一区二区-国产激情在线-欧美在线一区二区
微波元器件
Q3XG-1850R ?寬帶混合耦合器
Q3XG-1850R ?寬帶混合耦合器
更重要性能
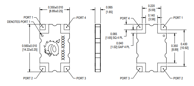
Q3XG-1850R 寬帶混合耦合器
幀率:1500-2200兆赫效率:165瓦復制到材料耗費:0.10 dB防曬隔離霜度:28聲音分貝駐波比:1.15訂購定期:6-8周
品牌:Electro-Photonics
產品商品詳情的介紹
Features
1500 – 2200 MHz
Low Loss
High Isolation
Tight Amplitude Balance
90 deg Quadrature
Surface Mountable
CTE Matched
DCS, PCS, LTE Band
Tape and Reel Option
Specifications
Size: .560 x .350 inches
Frequency: 1500-2200 MHz
Power: 165 W
Insertion Loss: .10 dB
Amplitude Balance: ± .2
Isolation: 28 dB
VSWR: 1.15
Phase Balance: ± 2