欧洲一区二区-欧美激情一区二区-国产激情在线-欧美在线一区二区

Q20HE-1090R定向耦合器
Q20HE-1090R定向耦合器
極為重要技術指標

Q20HE-1090R定位合體器頻率:0.96 – 1.22 GHz藕合:20噪音分貝±1噪音分貝交叉耦合平滑度:±0.5dB趨勢性:20dB駐波比:1.2:1復制耗損:0.15dB工作電壓:400瓦評估方法板722-0006-05-E01定貨階段:6-8周

品牌:Electro-Photonics

類產品內容介紹一下

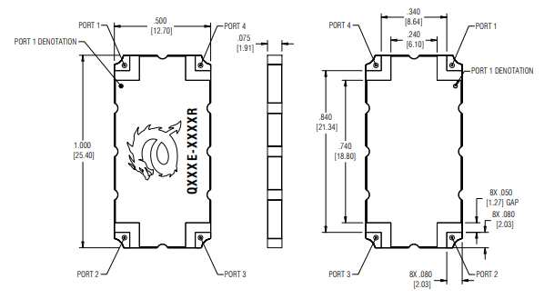
960-1220 MHz Directional Coupler

The Q20HE-1090R is a broadband, bi-directional coupler with high directivity and high power handling. It is suitable for LTE mobile broadband, UHF television, GSM, and more…

Specifications

  • Size: 1.00 x 0.50 inches
  • Frequency: 0.96 – 1.22 GHz
  • Coupling: 20 dB ± 1 dB
  • Coupling Flatness: ± 0.5 dB
  • Directivity: 20 dB
  • VSWR: 1.2:1
  • Insertion Loss: 0.15 dB
  • Power: 400 W
  • Evaluation board 722-0006-05-E01

image.png