欧洲一区二区-欧美激情一区二区-国产激情在线-欧美在线一区二区
的歡迎來武漢市立維創展科技信息有限企業英文企業官方正品平臺網站!
簡體中文
24H服務保障熱線電話 0755-83050846 / 83039348
搜索
欧洲一区二区-欧美激情一区二区-国产激情在线-欧美在线一区二区
Home
關于我們
About
微波元器件
Microwave
AMCOM
CUSTOM MMIC
RF-LAMBDA
QORVO
MACOM
SOUTHWEST
NOVA射頻微波
KRYTAR
Aeroflex-API Tech
Anaren
Anritsu
RADITEK
North Hills
Synergy微波
WENTEQ
MITEQ
Marki
RF-Labs
ADI
CREE
UMS微波
PULSAR微波
MegaPhase
JDSU光纖測試
AMG-Microwave
Ironwood
Teledyne防務電子
HEROTEK
ARRA
MCLI
Leadway
CERNEX
Mi-Wave
ATM Microwave(L-3)
UTE Microwave
NEL Frequency Controls
API SAW Oscillators
SemiGen
KR Electronics
MECA
Electro-Photonics
RLC Electronics
JUPITER(Canada)
?IPP
電源模塊
Power
PICO
Cyntec乾坤
GAIA
VICOR
LINEAR
ARCH
SynQor
TOREX
SILERGY矽力杰
DELTA
XP power
DAC | ADC芯片
DAC|ADC
EUVIS
ADI
Teledyne E2V
微處理器
MCU
PADAUK應廣單片機
中科昊芯DSP
先楫MCU
雅特力MCU
Intel-ALTERA FPGA
澎湃微
風扇
Fan
DELTA臺達風扇
SUNON建準風扇
熱縮管
Heat Shrink Tubing
Raychem
自研產品
Leadway Prodcuts
LEADWAY電源模塊
LEADWAY微波產品
聯系我們
Contact
紅外光元元器
欧洲一区二区-欧美激情一区二区-国产激情在线-欧美在线一区二区
微波元器件
?Q7P5HG-900R定向耦合器
?Q7P5HG-900R定向耦合器
注重性能
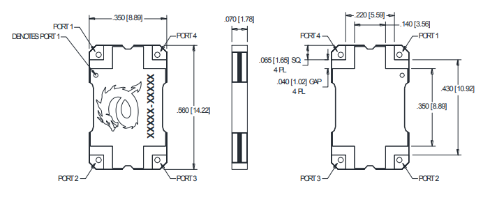
Q7P5HG-900R定向耦合器
頻繁 :0.695 – 1 GHz藕合:7.分之五貝±0.7分之五貝方面性:23分貝駐波比:1.15:1添加圖片消耗:0.15dB功效:175瓦評詁板722-0006-03-E01進貨頻次:6-8周
品牌:Electro-Photonics
車輛內容了解
695-1000 MHz Directional Coupler
The Q7P5HG-900R is a broadband, bi-directional coupler with high power handling. It is suitable for AWS, DCS, PCS, UMTS, CDMA , IMT and more…
Specifications
Size: .560 X .350 inches
Frequency: 0.695 – 1 GHz
Coupling: 7.5 dB ± 0.75 dB
Directivity: 24 dB
VSWR: 1.15:1
Insertion Loss: 0.15 dB
Power: 175 W
Evaluation board 722-0006-03-E01