欧洲一区二区-欧美激情一区二区-国产激情在线-欧美在线一区二区
認可來蘇州市立維創展科技發展現有司逛網官方網!
簡體中文
24H安全服務電活 0755-83050846 / 83039348
搜索
欧洲一区二区-欧美激情一区二区-国产激情在线-欧美在线一区二区
Home
關于我們
About
微波元器件
Microwave
AMCOM
CUSTOM MMIC
RF-LAMBDA
QORVO
MACOM
SOUTHWEST
NOVA射頻微波
KRYTAR
Aeroflex-API Tech
Anaren
Anritsu
RADITEK
North Hills
Synergy微波
WENTEQ
MITEQ
Marki
RF-Labs
ADI
CREE
UMS微波
PULSAR微波
MegaPhase
JDSU光纖測試
AMG-Microwave
Ironwood
Teledyne防務電子
HEROTEK
ARRA
MCLI
Leadway
CERNEX
Mi-Wave
ATM Microwave(L-3)
UTE Microwave
NEL Frequency Controls
API SAW Oscillators
SemiGen
KR Electronics
MECA
Electro-Photonics
RLC Electronics
JUPITER(Canada)
?IPP
電源模塊
Power
PICO
Cyntec乾坤
GAIA
VICOR
LINEAR
ARCH
SynQor
TOREX
SILERGY矽力杰
DELTA
XP power
DAC | ADC芯片
DAC|ADC
EUVIS
ADI
Teledyne E2V
微處理器
MCU
PADAUK應廣單片機
中科昊芯DSP
先楫MCU
雅特力MCU
Intel-ALTERA FPGA
澎湃微
風扇
Fan
DELTA臺達風扇
SUNON建準風扇
熱縮管
Heat Shrink Tubing
Raychem
自研產品
Leadway Prodcuts
LEADWAY電源模塊
LEADWAY微波產品
聯系我們
Contact
微波加熱元功率器件
欧洲一区二区-欧美激情一区二区-国产激情在线-欧美在线一区二区
微波元器件
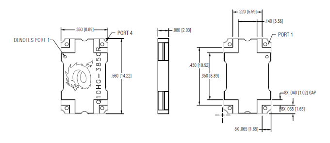
?Q10HG-3850R定向耦合器
?Q10HG-3850R定向耦合器
必要性能參數
Q10HG-3850R定向耦合器
頻次:2 – 4 GHz合體:10音貝±1音貝目標專業性:2兩分貝駐波比:1.12:1添加衰減:0.1dB工作功率:150瓦評估方法板722-0006-03-E01定購階段:6-8周
品牌:Electro-Photonics
護膚品商品詳情頁詳細介紹
2000-4000 MHz Directional Coupler
The Q10HG-3850R is a broadband, bi-directional coupler with high power handling. It is suitable for AWS, DCS, PCS, UMTS, CDMA , IMT and more…
Specifications
Size: .560 X .350 inches
Frequency: 2 – 4 GHz
Coupling: 10 dB ± 1 dB
Directivity: 21 dB
VSWR: 1.12:1
Insertion Loss: 0.1 dB
Power: 150 W
Evaluation board 722-0006-03-E01