欧洲一区二区-欧美激情一区二区-国产激情在线-欧美在线一区二区
歡迎語來河南市立維創展現代科技不足司官宣小程序!
常常
24H服務性熱線電話 0755-83050846 / 83039348
搜索
欧洲一区二区-欧美激情一区二区-国产激情在线-欧美在线一区二区
Home
關于我們
About
微波元器件
Microwave
AMCOM
CUSTOM MMIC
RF-LAMBDA
QORVO
MACOM
SOUTHWEST
NOVA射頻微波
KRYTAR
Aeroflex-API Tech
Anaren
Anritsu
RADITEK
North Hills
Synergy微波
WENTEQ
MITEQ
Marki
RF-Labs
ADI
CREE
UMS微波
PULSAR微波
MegaPhase
JDSU光纖測試
AMG-Microwave
Ironwood
Teledyne防務電子
HEROTEK
ARRA
MCLI
Leadway
CERNEX
Mi-Wave
ATM Microwave(L-3)
UTE Microwave
NEL Frequency Controls
API SAW Oscillators
SemiGen
KR Electronics
MECA
Electro-Photonics
RLC Electronics
JUPITER(Canada)
?IPP
電源模塊
Power
PICO
Cyntec乾坤
GAIA
VICOR
LINEAR
ARCH
SynQor
TOREX
SILERGY矽力杰
DELTA
XP power
DAC | ADC芯片
DAC|ADC
EUVIS
ADI
Teledyne E2V
微處理器
MCU
PADAUK應廣單片機
中科昊芯DSP
先楫MCU
雅特力MCU
Intel-ALTERA FPGA
澎湃微
風扇
Fan
DELTA臺達風扇
SUNON建準風扇
熱縮管
Heat Shrink Tubing
Raychem
自研產品
Leadway Prodcuts
LEADWAY電源模塊
LEADWAY微波產品
聯系我們
Contact
紅外光元電子器件
欧洲一区二区-欧美激情一区二区-国产激情在线-欧美在线一区二区
微波元器件
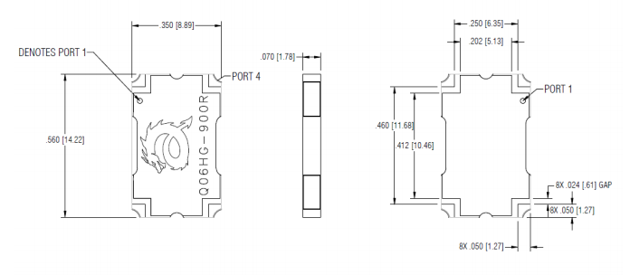
?Q06HG-900R定向耦合器
?Q06HG-900R定向耦合器
非常重要產品參數
Q06HG-900R定向耦合器
幾率:0.6 – 1.2 GHz交叉耦合:6音貝±0.75音貝朝向性:21分貝駐波比:1.2:1復制材料耗費:0.15dB公率:175瓦監測板722-0006-03-E01訂購定期:6-8周
品牌:Electro-Photonics
產品的淘寶手機端介紹
600-1200 MHz Directional Coupler
The Q06HG-900R is a broadband, bi-directional coupler with high power handling. It is suitable for AWS, DCS, PCS, UMTS, CDMA , IMT and more…
Specifications
Size: .560 X .350 inches
Frequency: 0.6 – 1.2 GHz
Coupling: 6 dB ± 0.75 dB
Directivity: 23 dB
VSWR: 1.2:1
Insertion Loss: 0.15 dB
Power: 175 W
Evaluation board 722-0006-03-E01