欧洲一区二区-欧美激情一区二区-国产激情在线-欧美在线一区二区
祝賀來珠海市立維創展科技受限品牌受限品牌官方版平臺!
英文版
24H服務項目服務電話 0755-83050846 / 83039348
搜索
欧洲一区二区-欧美激情一区二区-国产激情在线-欧美在线一区二区
Home
關于我們
About
微波元器件
Microwave
AMCOM
CUSTOM MMIC
RF-LAMBDA
QORVO
MACOM
SOUTHWEST
NOVA射頻微波
KRYTAR
Aeroflex-API Tech
Anaren
Anritsu
RADITEK
North Hills
Synergy微波
WENTEQ
MITEQ
Marki
RF-Labs
ADI
CREE
UMS微波
PULSAR微波
MegaPhase
JDSU光纖測試
AMG-Microwave
Ironwood
Teledyne防務電子
HEROTEK
ARRA
MCLI
Leadway
CERNEX
Mi-Wave
ATM Microwave(L-3)
UTE Microwave
NEL Frequency Controls
API SAW Oscillators
SemiGen
KR Electronics
MECA
Electro-Photonics
RLC Electronics
JUPITER(Canada)
?IPP
電源模塊
Power
PICO
Cyntec乾坤
GAIA
VICOR
LINEAR
ARCH
SynQor
TOREX
SILERGY矽力杰
DELTA
XP power
DAC | ADC芯片
DAC|ADC
EUVIS
ADI
Teledyne E2V
微處理器
MCU
PADAUK應廣單片機
中科昊芯DSP
先楫MCU
雅特力MCU
Intel-ALTERA FPGA
澎湃微
風扇
Fan
DELTA臺達風扇
SUNON建準風扇
熱縮管
Heat Shrink Tubing
Raychem
自研產品
Leadway Prodcuts
LEADWAY電源模塊
LEADWAY微波產品
聯系我們
Contact
紅外光元電子元件
欧洲一区二区-欧美激情一区二区-国产激情在线-欧美在线一区二区
微波元器件
Q10HF-3500S定向耦合器
Q10HF-3500S定向耦合器
至關重要數據
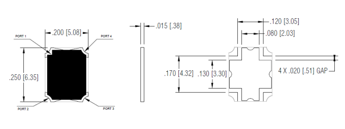
Q10HF-3500S定向分配合體器速率:2.5 – 4.5 GHz交叉耦合:10噪音分貝±1.5噪音分貝指明性:16dB駐波比:1.2:1放損耗量:0.3dB熱效率:150瓦估評板722-0006-01-E01定貨的周期:6-8周
品牌:Electro-Photonics
食品具體詳情說
2500-4500 MHz Directional Coupler
The Q10HF-3500S is a bi-directional coupler with high directivity and high power handling.
Specifications
Size: 0.250 x 0.200 inches
Frequency: 2.5 – 4.5 GHz
Coupling: 10 dB ± 1.5 dB
Directivity: 16dB
VSWR: 1.2:1
Insertion Loss: 0.3 dB
Power: 150 W
Evaluation board 722-0006-01-E01