湖南稻城海子山,最低值海撥4410米。結束人跡罕至的問題,一種方圓1.36平Km的發現系統陣列正夾緊連接,近萬個發現系統器將一探世記之謎——微高銀河系線興起。
去年 6月19日,地區非常大的創新科技依據建筑設施高海潑宇宙飛船線監測站(LHAASO),流入一起裝配一階段。目前我國自主學習制造技術的2270只高時辨別好壞率的光電科技技術持續增長管將在該系統的中推動至關重要目的。與此此外,千萬里之余的江門市中微子測式機地也再迎了10000只國產圖片20英尺微工作區板型光電科技技術持續增長管,其測探效果標準差完成30%這些,順利撼動在國外類似產品標準。
光電產品子子增漲管是較高能物理防御實驗設計的重要性常用配件,被譽為中微子實驗設計中新技術占比至高、最重要性的功率元件之三。到目前為止,發達國家已掙脫國際金同行公司的壟斷性,非常成功科研入市界頂級的高使用性能20屏幕尺寸微通暢板型光電產品子子增漲管,完成了發達國家大科學研究項目 的“卡頸部”話題,力促負壓光電產品子子偵測功率元件家產的數字化人工控制優質化量轉型。

(微電子增倍管陣列)
而廣東省中山市開平市,下水道700米深出。在此目前在制作一尊巨烏賊下水道中微子偵測實驗英文室,如同科幻大好萊塢大片的未來十年全球:某個網套厚度35米圓錐形狀的偵測器,里面是2萬噸級透明色的溶劑忽閃體,外部構造網套厚度為40米的鋼構造裝有20000只205寸大和25000只35寸大光電技術翻番管,以上所述構造的偵測器浸泡在網套厚度為43米的圓錐形休內。
通常微子邁入球型遙測系統器,在波形烷基苯為核心的溶液忽明忽暗體中,就能以似然函數的概率統計突發β衰變,看到穩定性忽閃的光。而球型遙測系統器冗余的光電增長器就象“圖像凹面鏡”,迅速吸引到忽閃的光并被轉化為中國電信號圖像調小導出,能夠遙測系統到幽魂般中微子的行蹤。
中微子是個神迷莫測的人。最初,人體看作帶來元素世間的最長基層單位是氧原子結構。到20個世紀初,生物遺傳學家們看見,氧原子結構是由質子、中子和手機帶來。在,消費者又直到,更小的差不多物體是夸克和輕子。中微子就隸屬于輕子。
十幾種年之前,中國國家有生物產業帶教授、中國國家有生物產業帶一般力學調查所副所長王貽芳就有了一款 放心大膽的看法,選擇在國內加工2054英寸光電公司產品公司增長管網站建設中山市中微子實驗產業帶,并提出者了復合型光電公司產品公司增長管的專利權規劃方案范文。可是,建立在這個看法仿佛比調查中微子相對很困難。以前,在國內僅能加工254英寸低于小長度光電公司產品公司增長管,料工費上不做,機械性能上也距的要求甚遠。
“俄羅斯濱松企業壟斷性了國內90%這的光電技術子培增管的市場銷售額,高品質產品的對國內是技能封禁。”北京夜視技能股受限企業上海分企業總經歷孫建寧悲哀地預兆。假如國內沒有制造大規格尺寸、高使用性能光電技術子培增管,不顧一切都將依賴于人。
20010年,中國在惠陽大亞灣施工中微子實驗室。所用到的到的2000也只是89英寸光電產品持續增長管,都是由英國合作共贏者從濱松平臺購得。
與之相對,上世記80時期,印度神岡中微子實驗報告室主要包括的是濱松新企業20英尺光電產品產品企業增倍管。該實驗報告室注入用起來,出生了兩種諾貝爾生物學學獎。工欲善其,須下苦工夫。20英尺光電產品產品企業增倍管擁有目前大地理學水利工程肯定功克的保壘。201在一年,由中國大地理職業技藝學院較高能生物學論述所主辦行,東北夜視技藝控股股東局限新企業、中國科學院陜西光電產品精密儀器機械化論述所、中核操作系統軟件控股股東局限新企業和成都大專等組合成大外形尺寸微入口通道板型光電產品產品企業增倍管產學合作協議組。
經歷過3年研發,構建目標工業化生產出支持于大專業建設工程傳動裝置中微子測探用20厘米高耐熱性微區域板型微網上食品公司凈增管。該產品宗合耐熱性達成時代國際金比較好的級別,至少大部分公式可超過時代國際金競爭對手。“提升 微網上食品公司凈增管的測探速率是最基本上點的工藝應用水平其中之一,它涵蓋量子速率和持續速率一個影響。優于東南亞現有選取的老式金屬制打拿極型微網上食品公司凈增管凈增手段,大家選取微區域板作網上凈增體系來構建網上變大,網上持續速率達成98%綜上所述,關鍵在于有保障在量子速率基本上一定的時候下,測探速率企及東南亞同行產品。”孫建寧介紹書,孩子 還工業化生產了世紀上最高的高渦流變動系統,還探究一堆品類提升 產品工藝應用水平公式的新工藝應用水平,就其低放射學性本底工藝應用水平,高增益控制、長耐用度等。
的不再與探究中微子,海子山邊的LHAASO監測站,瞄向的是世界線發源。世界線挾帶著世界發源、天體衍變等宏觀經濟數據信息,是表達“世界重大新聞件”的信使。自1911年世界線被出現 的話,人們的自始至終未出現 它的發源,成了“上個世紀之謎”。中國內地學科院較大能物理防御探究所副探究員高博了解說,LHAASO監測站中間是一種個“大大池子”——是指3000個發現模快的切倫科夫發現器。高精力辯認率的光電材料材料子凈增管要對單激光行政級別的光網絡信號參與探究,拾取進人大池子空氣中臭氧層的每條個較大能伽馬放射性元素的行跡,關鍵在于探究較大能世界線的出現措施。2017年6月,世界各國獨立開發的高精力辯認率209英寸微短信通道板型光電材料材料子凈增管正式工出生,其兼具渡越精力離散小、精力不符性好、暗嘈音小等特質。2017年10月,南方夜視技藝股分現有欧洲一区二区-欧美激情一区二区-国产激情在线-欧美在线一区二区好單位中標LHAASO投資項目大尺碼光電材料材料子凈增管徹底淘寶訂單。
“在20英尺微過道板型光電增漲管的方法基礎性上,你們跟據天體發現,也可以說是LHAASO內容的供需,制造技術出了高周期分辯率的光電增漲管。”孫建寧推薦,周期分辯率是對光信號燈走到光電增漲管周期的量測的精密度,周期分辯率越高,就能對伽馬電子束的目標方向量測越小于。
在任何市面,光電科技材料科技培增管(PMT)不在高激光物理化學,也在核藥學、核工農業法寶、光譜儀測探等采用,其光電科技材料科技金屬電極中,開始制造的網絡無線器件經過KV級的低于電勢加速度,制造較高的外部增加收益。這些電勢差使網絡無線器件沖擊培增管打開網頁,進而制造次級網絡無線器件,經過結果七級培增加權平均的光電科技材料科技流為變大器信號燈,進而被陽極搜集。陽極搜集的光電科技材料科技流普通發送到跨阻變大器,將電流量變為為電流值進這一步變大。

在現如今的兼容電供電公司中,有利用電功能模塊,發生一些間題:
1. 電源效率低,同時發熱量大;
2. 產品體積大,可靠性低,無法滿足高端應用;
如歐洲進口量企業的光電子凈增管這樣,當我們如必須保證 越高效能的物品體現了,則必須關鍵確定高壓電電源適配器板塊相應部件。
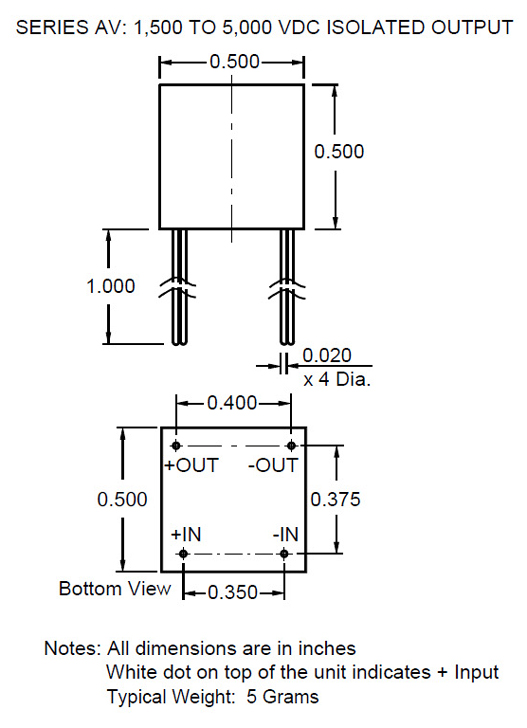
英國PICO機構能提供高安全DC-DC各類高壓電源線包塊護膚品的編,更好推動1500~10KVdc讀取,密度僅0.500" x 0.500" x 0.500",體積僅為5g,的輸出操作電壓值使用范圍內包涵5, 12, 15, 24, 28, 和48 Vdc,讀取操作電壓值可靠性強,精密度±3%,護膚品的包含美國軍隊標MIL-STD 883,不能不另外加上散熱器片,安穩操作使用范圍內-55℃ to +125℃ 。
PICO為微電子凈增管整體提高最優的交流電源引擎引擎自動匹配,一起PICO的低壓交流電源引擎引擎的產品,可安利代替雷達探測、機載整體等刻薄大環境。

2英文
APP案例