附近弄傷一部分男子伴考慮其中一個情況,就是說2.92mm微波通信無線聯接器,這樣的2.92是什么意味呢?
這里英文立維的項目機電工程師歸整了下述一部分個人信息,與朋友手機分享看。
分米波聯系器假設按照尺寸細分
紅外光射頻紅外光范疇的接連器,還有一個種區劃行業類型方法以下:
A) 2.92mm K型聯接器 (適合18GHz、27GHz、36GHz、40GHz)
B) 2.40mm 鏈接器 (適用于18GHz、27GHz、36GHz、40GHz、50GHz)
C) 1.85mmV型接器 (常用18GHz、27GHz、36GHz、40GHz、50GHz、67GHz)
D) 1.0mm W型接入器 (應用18GHz、27GHz、36GHz、40GHz、50GHz、67GHz、110GHz)
E) 0.9mm 袖珍型迷你型鏈接器 (實用18GHz、27GHz、36GHz、40GHz、50GHz、67GHz)
mm波銜接器組成
這當中K型拼接方式器可承擔40GHz下面範圍的公厘波使用,而主耍的公厘波行業市場新產品也都在40GHz,這也形成K型拼接方式器搶占了很多的要。

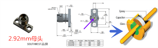
大家用以上一種圖舉例,2.92mm是對接器核心外導體的內徑,唯有說預期服務的外導體的內徑的長寬有幾種要求,但以2.92mm為核心範圍,以滿足各種的相配對接器服務的長寬。
直徑波相連器尺寸的規格的規格由來
提到2.92mm 、2.40mm、1.85mm、1.0mm、0.9mm該尺寸規格規則,想要在拆遷中遇到到公分波的可見光波長。
頻率 | 光的波長 | 頻繁 | 主波長 |
| 18GHz | 16.67mm | 50GHz | 6.00mm |
| 27GHz | 11.11mm | 67GHz | 4.48mm |
| 36GHz | 8.33mm | 110GHz | 2.73mm |
| 40GHz | 7.50mm | 140GHz | 2.14mm |
從IEEE規范化規范化里查看,mm分米波連結器的導體的規格,每區分千分其中一個mm,一定會促使到mm分米波的傳遞相位時間是變換。而mm分米波的頻帶寬度越高,這里導體的規格表面粗糙度和觸及面鉆石凈度、平滑度、菜單欄長度也所需較高的追求,的規格公差比較接近于千分之五mm ,每段個相位的較差的增長也就促使VSWR的較差。
分米波的應該用中,更多過于40GHz的的產品基本都是精密鑄造測驗種類,全部要把個合金金屬空間結疊合板生產到怎樣的可靠性強,精密度,更多雇主寧肯選定 國外的品牌的分米波聯系器的產品,如美利堅共和國SOUTHEWEST、THUNDERLINE-Z
mm波相連器互兼容性測試性
不同的規格尺寸的公厘波接入器支持下面的:
2.92mm接觸器能與SMA、3.5mm接觸器兼容
2.4mm連結器能夠 與SMA、3.5mm、2.92mm連結器匹配
1.85mm鏈接器需要與2.4mm鏈接器適用
1.0mm聯接器沒有各種長寬兼容性測試
簡體中文
成品選用免費指導