2kw相電壓交談AC-DC電原傳感器帶PFC_意大利PICO電原傳感器HPHA2
推送時候:2019-01-25 11:23:22 訪問:3310
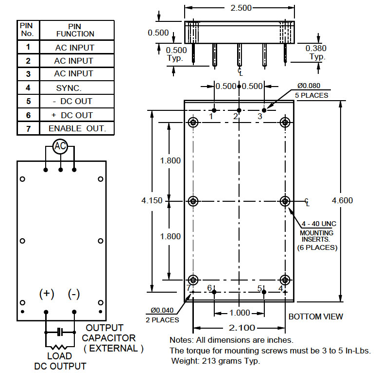
PICO的2kw380V電洽談AC-DC電壓控制器HPHA2是適用性于220V或380V電設置/直流電壓工作輸出應用領域的通用型洽談電的帶PFC很理想前端開發。標淮2.5“x 4.6”x 0.5“長寬高是到目前為止領域上輸送范圍之內較小的長寬高之三。具備365V穩壓直流交流電壓輸送,能作作PICO FD / MD / LFD / LMD /的前段LPD / PD和HPD系列產品DC-DC變為器可具備3.3V至300V DC。還有就是,有很多繳光和同步電機廣泛應用都行以同時操作HPHA2的365V DC輸送。針對于其他的輸送交流電壓和發展的工作任務環境溫度,請資詢小編。
|
品牌
|
型號
|
貨期
|
庫存
|
|
PICO
|
HPHA2
|
1周
|
500
|
|
如若您需要購HPHA2,請點擊右側客服聯系我們!!!
|
代表性亮點紛呈:
-
非常符合EN / IEC 61000-3-2要
-
基礎顯示電壓降(47至440Hz)(85至250V AC)或208V AC±20%。線對線相電壓投入細則
-
打出功效: 2000W(以每伏0.5%的濃度從220V AC降到170V AC)
-
輸出功率因素: 0.99(從50%到100%FL)
-
同時引腳:而對于所需導入的體系,不錯安全使用100 KHz的導入手機信號。
-
調用引腳:用到以免Pico DC-DC準換器瀏覽器打開,一直到HPHA2的輸出在可連受的要求標準內。直接的聯接到PICO的LP / P / HP DC-DC方案的關斷引腳,使能引腳將增加DC-DC方案關閉,有一天HPHA2的輸送在能接受的上限範圍內。若DC-DC傳感器請稍等出示重短路電流量,這預兆著這將不能DC-DC準換器在<300伏輸入時點開,在其中HPHA2必需出示I =供電/ Vout的電流量。
-
使用率: 90%或更快(從170到250V AC或單相放入至少95%)
詳盡電器設備規范起來:
特別注意:穩壓365V直流電傳輸可馬上主要用于有很多三相異步電機,激光行業和馬上驅使運用。
-
基礎鍵入電壓降(47至440 Hz): 85至250V AC。
-
關注: 相對 110 / 220V AC操作步驟,請不要連接方式“AC3”接線端子排。
-
降額傷害輸出最大功率大于220V AC(參看今天的“效果效率”)
-
對于那些以上60 Hz的頻帶寬度,工作效率質因數將縮小到。如遇特有的標準,請網絡咨詢制造廠。
-
為可以獲得較佳吸收率,建立應用170至250V AC。(110V AC填寫的具代表性的的效率為90%,220V AC填寫的具代表性的的效率為95%)
-
380V顯示: 208V AC±20%線對線三相電輸人
-
輸出精度輸出:上限2000瓦@ 220V AC。將打出電電功率從220 VAC直線減小0.5%/ Volt至170 VAC(極限電電功率@ 170 VAC手機輸入= 1,500 W)。110 VAC極大1,000瓦。將鍵盤輸入效率從110VaX波形變低1.2%/ Volt至85 VAC(上限效率@ 85 VAC鍵盤輸入= 700瓦)。
-
載滿時的傳輸交流電壓容差: ±2%
-
運作平率: 100KHz
-
工作上體溫: 0oC至+85oC的基板,不須穩定耗油率。
-
的需求的輸送電容(電容器):建議大家在2000W時為1.5m F至1200μF。這將衡量紋波直流電壓不低于10Vpp。 請參閱別的輸出電平,的線路規律或Vpp紋波的計算方式。
-
隔離開:
-
填寫到輸出的:無
設置/所在究竟 板:2121V DC
-
載荷緩解: (10%至100%環境下±3%)
-
熱關斷: 90至100oC底板
-
虛接保護好: HPHA2應該某個與復制粘貼并聯電阻計算的15安培迅速熔絲人身險絲。
-
體積: 7.2盎司(231克)典型性
2kw三相交流AC-DC電源模塊結構圖
