行業內資訊、短視頻軟件
分享準確時間:2022-05-12 16:34:31 瀏覽網頁:2068
當前狀況行業上TI的原輔料TPS82130、TPS82140、TPS82150稀缺,引發校園推廣服務商費用溢價收購高達50倍,IC的本來面目的的價值開始被扭轉。誠然TI的原輔料的品質無法挑毛病,被歐洲投資者認同感,應該如何解決這些窘境,臺達Cyntec適度提到了pin to pin原位取代情況報告。
款式 | 發送電阻 | 傳輸電流電壓 | 電流量 |
TPS82130 | 3~17V | 0.9~6V | 3A |
TPS82140 | 3~17V | 0.9~6V | 2A |
TPS82150 | 3~17V | 0.9~6V | 1A |
TPSM82903 | 3~17V | 0.4~5.5V | 3A |
這款徵型POL開關電源模組,體積太小,僅為3.0mm x 2.8mm x 1.5mm,集變為DC-DC集成塊、電感,無窮的地簡略了買家結構設計,時候還可以出示超好EMI基本特征。

而Cyntec的原位替代產品 MUN12CAD03-SEC , 以完全不用改動PCB,并且以超低的紋波特性,被廣泛應用于儀表、通信、服務器等領域。
1. 基本參數對比圖
型號查詢 | 長寬高 | 設置端電壓 | 效果電壓電流 | 電流量 | Vfb |
TPS82130 | 2.8*3.0*1.5mm | 4.5~17.0V | 0.9~6.0V | 3A | 0.8V |
MUN12AD03-SEC | 2.8*3.0*1.5mm | 4.5~17.0V | 0.8~5.5V | 3A | 0.6V |
2. 代替選用考核評價:
(1)TPS82130是確認內部結構直流電壓電阻鉗位控制重新啟動這段時間內的效果直流電壓電阻斜率,來杜絕過大的浪涌直流電壓并確認受控的輸出的輸出功率回升時長。當 EN引腳被拉高時,電子元電子元件會在 55μs(其最典型的值)的卡頓后開始了旋轉開關,以及模擬模擬輸入輸出直流工作電流電流電壓以由聯接到 SS/TR 引腳的外電儲槽器控制的斜率上漲。可安全使用無比小的電儲槽器或使 SS/TR 引腳浮空,可達到最怏的重新進入時刻。TPS82130 可重新發動至預偏置模擬模擬輸入輸出電儲槽器。在預偏置重新發動過后,在內外部直流工作電流電流電壓鉗位將模擬模擬輸入輸出直流工作電流電流電壓裝置為低于預偏置直流工作電流電流電壓以前,多個耗油率 MOSFET 沒有進入。當電子元電子元件處在關斷、欠壓選擇或熱關斷心態時,聯接到 SS/TR 引腳的電儲槽器由內外部功率電阻器電流。從一些心態獲取會形成新的重新發動字段。
主要是因為MUN12AD03-SEC的SS軟發動與TPS82130有差別的,MUN12AD03-SEC并不需要在這樣的打出端接的L22電感/磁珠,則須要驗證上電時序。規范關系式如下所示:

(2)TPS82130與MUN12AD03-SEC的做工作紋波測試測試報告下面的

臺達的廠品茶葉品質,能否根本做到高精確度的開關電源特殊要求。
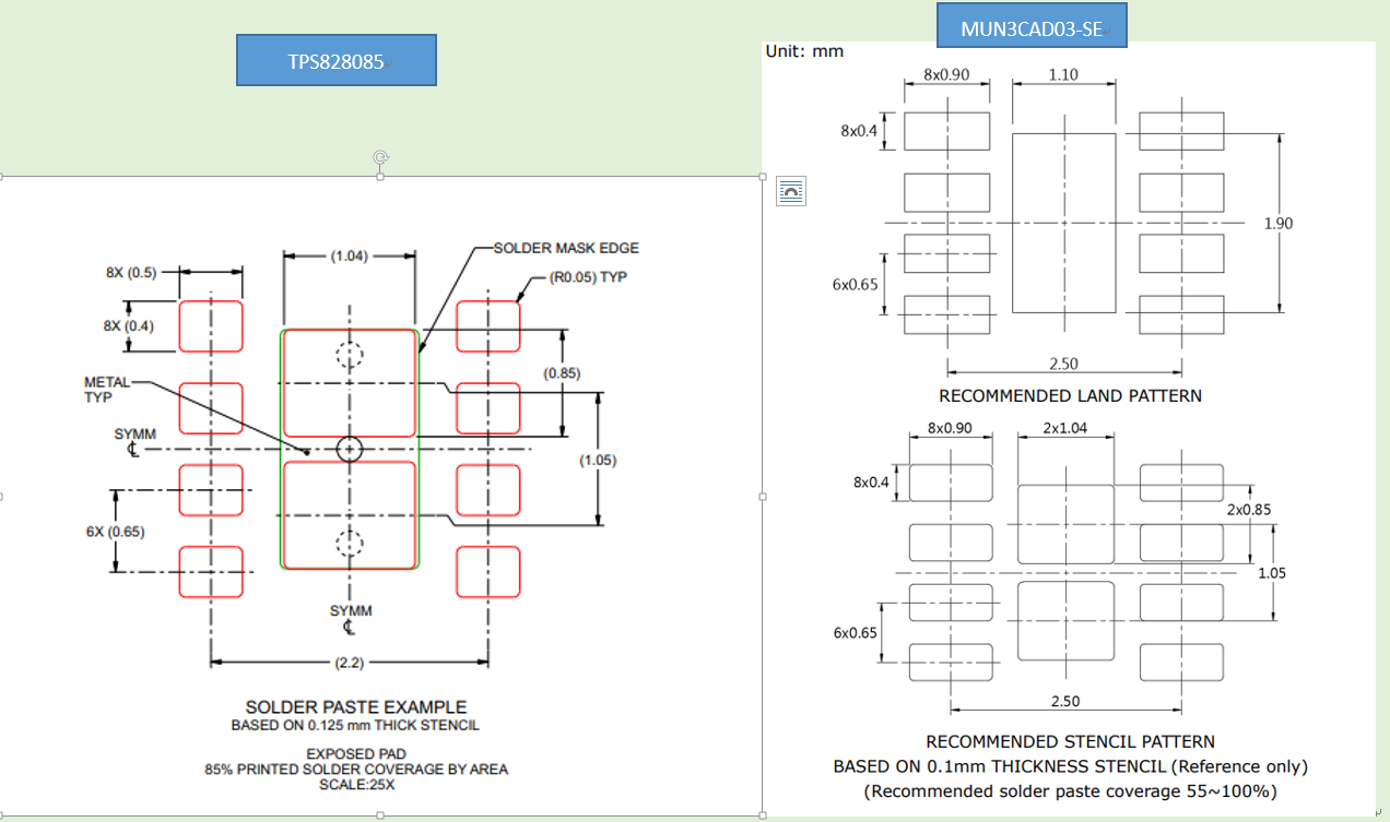
3. 物品的貼片工步小心事宜:
TI的原物料鋼網尺寸大小太小,造成鋼網過錫量不豐滿。尺寸太窄,一些實際情況如學習Cyntec的室內溫度Reflow,則會造成錫料增長率太高現身,空洞。即接近不上錫的的狀態。則改進措施從TPS82130添加進來的貼片 ,的同時更新換代這里SMT鋼網 。
廣州市立維創展創新科技授權許可代理加盟Cyntec全部企業廠品,堅持創新驅動為玩家可以提供了高優質化量、優質化量、售價司法公正的主機電源組件企業廠品。企業廠品原廠進口清關,質理確認,并給中國國家大陸行業市場可以提供了工藝使用,喜愛咨訊。
信息認知Cyntec請打開://www.anchor-appliance.cn/brand/16.html