制造業介紹
發表期限:2023-03-06 17:02:08 瀏覽網頁:2039
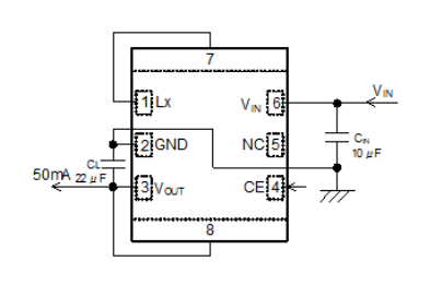
TOREX的XCL210系統是低能效等級減壓小形DC/DC互轉器。設定IC和磁圈匯集了在一同,已完成了小型化,只需在其他元器件封裝上就會增加兩電感器,就能組成了同一個不擠占空間區域的交流電源版塊。
XCL210類型更換器采用低能源消耗IC技巧并且 開張發的有效果電感做到有效化,有效于技術應用蓄電池的手機終端系統用戶和智力使用系統的常年動力。
XCL210系類轉為器工作的發送線電壓標準在2.0V至6.0V內。主機電源電壓電流在里面的設計方案,在1.0V至4.0V的標準內,以0.05V的間距制定。通過在待機階段下終止一體化24v電源電路設計,工作電流量浪費維護在0.1μA接下來(標稱值)最多變壓器容量工作電流行抉擇50mA或200mA。
XCL210產品換算器有著內置UVLO(欠壓綁定)特性,當搜索電流低于UVLO探測交流電壓時,里面的P端口動力多晶體管將忍痛關閉程序啟用。XCL210C型和XCL210D型,按照CL充蓄電池放電效能,在待機時解鎖VOUT-GND兩者之間內部組織打開,實現內電阻值充電流CL的自由電荷。此充充放特性返還電源適配器端電壓的VSS含量在迅速。

特征描述
手機輸入額定電壓規模:2.0V~6.0V
傳輸電流值:1.0V~4.0V(±2.0%)
的輸出直流電壓:200mA(TypeA/C),50mA(Type B/D)
耗費電壓電流:0.5μA
率:93%(VIN=3.6V,VOUT=3.0V/100μA)
行車制動方法:PFM調節
生態氣溫:-40℃~+85℃
TOREX半導體材料核心提拱COMS、調節器器、二級管等元元器,物品以小體型、性能參數優良而最有名的。
成都 市立維創展科學技術有局限司,特點分銷商城TOREX開關電源元器件,非常多的期貨存量,歡迎詞協作。
詳情頁了解一下TOREX請打開網頁://www.anchor-appliance.cn/brand/62.html