業內方式
上傳周期:2023-06-02 16:54:17 查看:1569
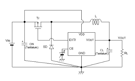
TOREX XC6366系列內嵌高速低通態電阻驅動器的通用型高頻率降壓DC/DC控制器集成電路。應用晶體管,電感線圈,二極管和電容器共4種外接器件,可搭建輸出電流為1A之上高效化降壓DC/DC轉換器。
XC6366系列的降血壓DC/DC抑制器并能在1.5V~6.0V(精硬度±2.5%)位置至少,以0.1V的高度控制設為(VOUT型)。還有就是,清除VOUT型囿于,還具備有嵌入1.0V的基準線輸入功率源,才可以外接元器件所以如何設置輸入輸入功率的機型型號(FB型)。
因電開關頻率高至300kHz,可操作中小學型外接電子元器件。XC6366型號穩壓DC/DC的控制系統在小電流時,PWM/PFM修改有效控制型XC6366題材以PFM本職工作結構做本職工作。由于,在盡管負債電阻到大輸出直流電的一體化負債電阻範圍之外,推動便捷化。
XC6366國產穩壓DC/DC的驅動器軟再啟動日期段有,在裝置制定為10ms的型號規格參數規格參數(A,B型),十分適于外接內阻和電容(電器皿)器參與優化系統的的類型規格為(C,D型)。
XC6366一系列降血壓DC/DC操作器采用待機能,可進行啟用使電壓電流量耗費實行0.5μA下面(CE端"L")。
XC6366款型穩壓DC/DC調整器內置UVLO特性,當顯示輸出功率在一般感應電流輸出功率下面時,會直接性的把外接單晶體管掐斷。
功能
輸進的電壓範圍:2.2V~10V
所在電阻范圍之內:1.5V~6.0V(0.1V排距),±2.5%
運作頻繁 :300kHz±15%,業主訂制180,500kHz
轉換直流電壓:1.0A(VIN=5.0V,VOUT=3.0V)
高換算使用率:92%(TYP.)
待機電工程專業流:ISTB=0.5μA(MAX.)
TOREX光電器件最主要提供數據COMS、感知器、二級管等元電子器件,產品設備以小表面積、功能優良而著明。
東莞市立維創展科技廠家局限廠家,資源優勢分銷商TOREX電原電子器件,許多現貨黃金庫存盤點,誠邀協議。
具體詳情熟知 TOREX請單擊://www.anchor-appliance.cn/brand/62.html

款式 | Type | Output Voltage | Oscillation Frequency | Packages |
XC6366A152ER-G | VOUT type: internally set-up, Soft-start internally set-up | 1.5V | 180kHz | USP-6C |
XC6366A152MR-G | VOUT type: internally set-up, Soft-start internally set-up | 1.5V | 180kHz | SOT-25 |
XC6366A153ER-G | VOUT type: internally set-up, Soft-start internally set-up | 1.5V | 300kHz | USP-6C |
XC6366A153MR-G | VOUT type: internally set-up, Soft-start internally set-up | 1.5V | 300kHz | SOT-25 |
XC6366A155ER-G | VOUT type: internally set-up, Soft-start internally set-up | 1.5V | 500kHz | USP-6C |
XC6366A155MR-G | VOUT type: internally set-up, Soft-start internally set-up | 1.5V | 500kHz | SOT-25 |
XC6366A162ER-G | VOUT type: internally set-up, Soft-start internally set-up | 1.6V | 180kHz | USP-6C |
XC6366A162MR-G | VOUT type: internally set-up, Soft-start internally set-up | 1.6V | 180kHz | SOT-25 |
XC6366A163ER-G | VOUT type: internally set-up, Soft-start internally set-up | 1.6V | 300kHz | USP-6C |
XC6366A163MR-G | VOUT type: internally set-up, Soft-start internally set-up | 1.6V | 300kHz | SOT-25 |
XC6366A165ER-G | VOUT type: internally set-up, Soft-start internally set-up | 1.6V | 500kHz | USP-6C |
XC6366A165MR-G | VOUT type: internally set-up, Soft-start internally set-up | 1.6V | 500kHz | SOT-25 |
XC6366A172ER-G | VOUT type: internally set-up, Soft-start internally set-up | 1.7V | 180kHz | USP-6C |
XC6366A172MR-G | VOUT type: internally set-up, Soft-start internally set-up | 1.7V | 180kHz | SOT-25 |
XC6366A173ER-G | VOUT type: internally set-up, Soft-start internally set-up | 1.7V | 300kHz | USP-6C |
XC6366A173MR-G | VOUT type: internally set-up, Soft-start internally set-up | 1.7V | 300kHz | SOT-25 |
XC6366A175ER-G | VOUT type: internally set-up, Soft-start internally set-up | 1.7V | 500kHz | USP-6C |
XC6366A175MR-G | VOUT type: internally set-up, Soft-start internally set-up | 1.7V | 500kHz | SOT-25 |
XC6366A182ER-G | VOUT type: internally set-up, Soft-start internally set-up | 1.8V | 180kHz | USP-6C |
XC6366A182MR-G | VOUT type: internally set-up, Soft-start internally set-up | 1.8V | 180kHz | SOT-25 |
XC6366A183ER-G | VOUT type: internally set-up, Soft-start internally set-up | 1.8V | 300kHz | USP-6C |
XC6366A183MR-G | VOUT type: internally set-up, Soft-start internally set-up | 1.8V | 300kHz | SOT-25 |
XC6366A185ER-G | VOUT type: internally set-up, Soft-start internally set-up | 1.8V | 500kHz | USP-6C |
XC6366A185MR-G | VOUT type: internally set-up, Soft-start internally set-up | 1.8V | 500kHz | SOT-25 |
XC6366A192ER-G | VOUT type: internally set-up, Soft-start internally set-up | 1.9V | 180kHz | USP-6C |