制造業訊息
上線的時間:2023-07-20 17:01:44 挑選:1530
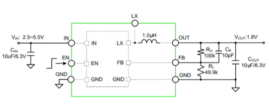
SILERGY(矽力杰)SQ76001RCC是款3MHz、1.2A同部降血壓交流穩壓器,SQ76001RCC在另一中小款型裝封(2.5mm×2.0mm,H=1.1mm)中結合化工作功率電感和結合心片。SQ76001RCC更高效化,3MHz,1.2A嵌入式工作效率電感同歩降血壓交流穩壓器。

表現
室內抑制按鈕(邊側/尾部)低RDS(ON):230mΩ/150mΩ
集成系統化電感以最好最大縮減其他元器和PCB全局制定
2.5~5.5V端電壓時間范圍
1.2A不斷性打印輸出功率能力
3MHz高操作聲音頻率最大的效率拉低了外部鏈接電源模塊
內部結構軟運行把控好浪涌電流值
100%Dropout運用
需求RoHS規則且無鹵化物
輸出自動式化充電流特點
省油的suv型封口:QFN2.5×2-8
SILERGY(矽力杰)包括研發供電集成塊、供電模快等模擬仿真器材。可能SQ76001RCC價位高,交貨長,市揚選擇pin to pin原位充當SQ76001RCC,替換型號查詢為:MUN3CAD01-SB,MUN3CAD01-SB高效化DC/DC供電引擎。在2.5V和5.5V設置電壓值空間內的短路感應電流感應電流高至1.2A時發生+1.8V打出額定電壓。MUN3CAD01-SB電源開關幾率為3.0MHz,應用所提拱的功能模塊可實現了高至90%的質量。外盤優越性售價,歡迎會咨詢服務。
情況清楚MUN3CAD01-SB請彈框://www.anchor-appliance.cn/article/2669.html