制造業訊息
發表時間間隔:2023-08-03 16:49:46 搜素:6290
與離散工率傳感器相對來說較,SILERGY矽力杰主機電源摸塊的表面積增多了90%。SQ76002AQNC就能變少內寄生電感/電阻,提升自己工做速度,縮減網絡信號偏色。SQ76002AQNC擁有弱于的熱量散發抗干撓穩定性和3d打包封裝類型穩定性,擁有比較好的抗干撓力量。中頻高頻振動和大環境轉變性強。
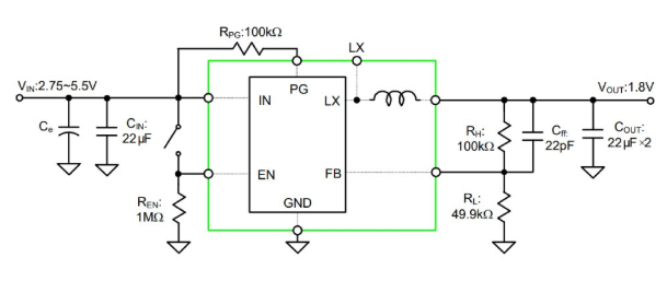
SQ76002AQNC適使用于于一個3MHz、2A同步軟件降血壓電壓穩壓器,SQ76002AQNC徘徊個中超小型裝封(3.0mm×3.0mm,H=1.1mmmax)中模塊化化電感和操控集成ic。SQ76002AQNC高質量率,3MHz,2A嵌入電感搜集穩壓交流穩壓器。

本質特征
內部的轉換開關(最上層/上端)的低RDS(ON):40mΩ/20mΩ
2.75~5.5V手機輸入電流范圍圖
3MHz旋轉開關速率更大可能可以減少了外接配件
外部軟啟用限止浪涌感應電流
2A多次輸入瞬時電流效能
啟用模型消費<0.1μA外接電源直流電
100%Dropout方法
電壓好顯示信息燈
過流防護/欠壓重設/過溫愛護
提供RoHS要求且無鹵素燈泡
家用suv型封裝形式:QFN3×3-10
SILERGY(矽力杰)重要出產電壓集成電路芯片、電壓電源模塊等摸擬電子元器件。仍然SQ76002AQNC價高,交貨期長,專業市場引薦pin to pin原位混用SQ76002AQNC,方式型號查詢為:MUN3CAD03-SF,MUN3CAD03-SF極有效率DC/DC電源開關模組。在2.75V和5.5V錄入電壓值依據內的負載電阻電流大小高至3A。MUN3CAD03-SF按鈕開關率為3.0MHz,通過所出示的模組可確保高至90%的效果。現貨平臺的優勢市場價格,熱烈歡迎質詢。
詳細信息詳細了解MUN3CAD03-SF請點擊量://www.anchor-appliance.cn/article/3099.html