相關行業咨詢
發布公告日子:2023-08-16 16:48:58 瀏覽記錄:985
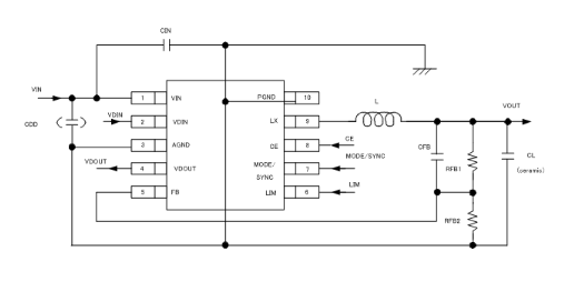
TOREX的XC9223系列作品是同歩整流穩壓DC/DC轉化器,XC9223減壓DC/DC換為器標準配置有0.21Ω(TYP.)P內孔能夠二極管和同部整流0.23Ω(TYP.)N橫截按鈕開關電子元件。XC9223穩壓DC/DC轉成器按照其削減內嵌式三級管的通斷特質電位差,可以了兌換高成功率的率,相對應不穩定性的,高至1.0A的電流量。
XC9223穩壓DC/DC轉為器可能操作工作頻率高至1MHz和2MHz,就能選定小規模型瓦數電感。故而,XC9223減壓DC/DC轉移器適用于為有位置異常制還需要避免浪費代價的采用。當電源適配器電流量異常不那樣列如 USB和AC適用器,集成ic功率出現異常值夠選澤1.5A(MIN.)當LIM管腳置高,還可能采用0.5A(MIN.)當LIM管腳置低。依照MODE/SYNC管腳,XC9223穩壓DC/DC變為器就能選用保持穩定PWM調控策略或者自主會選擇限流PFM/PWM控住策略。方便以免 轉換開關燥音,XC9223降血壓DC/DC轉化成器就能夠可以通過MODE/SYNC管腳發送到外人的鬧鐘網絡數據信息,該鬧鐘網絡數據信息的平率范圍之內是里面的鬧鐘網絡數據信息的±25%。
要想盡量不要IC芯片被燒壞,XC9223減壓DC/DC改換器購置有四種護理措施系統:會員積分護理措施,超溫關斷,過流護理措施。XC9223降血壓DC/DC轉化器有嵌入UVLO能力,當進入電流電壓降到1.8V或較低的具體情況下,的內部的P外圓旋轉開關電子元器件能被立即性關斷。
XC9223穩壓DC/DC變為器的加測器耐腐蝕性才可以用外置式功率電阻加測隨意工作電壓。
特證
本職工作的電壓區域:2.5V~6.0V
導出端電壓的范圍:0.9V~VIN(可實現0.8V[±2%]借鑒電阻和分光電探測器阻自由權修改)
作業頻段:1MHz,2MHz(±15%)
打出電壓:1.0A
最主要減少瞬時電流:0.6A(MIN.)0.9A(MAX.)LIM接線鼻子=“L”;1.2A(MIN.)2.0A(MAX.)LIM接線端子=“H”
掌握工藝:PWM/PFM外邊設置有效控制,一起冗余掛鐘移動信號
保護區電路系統:過高關斷,積分閂鎖的方式(三倍過直流電壓),串電確保
帶軟啟用:1ms(TYP.)
電壓降監測技術器 :0.712V的檢測
TOREX半導體設備重要提供數據COMS、傳調節器器、場效應管等元部件,成品以小占地、性能指標好而舉世聞名。
東莞 市立維創展創新科技較少裝修公司,優越電商分銷TOREX24v電源電子元件,大批量現貨黃金倉庫,追捧合作項目。
詳情頁了解到TOREX請點擊率://www.anchor-appliance.cn/brand/62.html

規格型號 | Type | Reference Voltage | Oscillation Frequency | Packages |
XC9223B081AR-G | Transistor built-in with current Limit | 0.8V | 1MHz | MSOP-10 |
XC9223B081DR-G | Transistor built-in with current Limit | 0.8V | 1MHz | USP-10B |
XC9223B082AR-G | Transistor built-in with current Limit | 0.8V | 2MHz | MSOP-10 |
XC9223B082DR-G | Transistor built-in with current Limit | 0.8V | 2MHz | USP-10B |